:fill(white)/3d33a122d9ca79a7b7a84693e425925c.jpg)
:fill(white)/ad28418c9a7ea6103d9e77a0f21a633f.jpg)
:fill(white)/3d33a122d9ca79a7b7a84693e425925c.jpg)
:fill(white)/ad28418c9a7ea6103d9e77a0f21a633f.jpg)
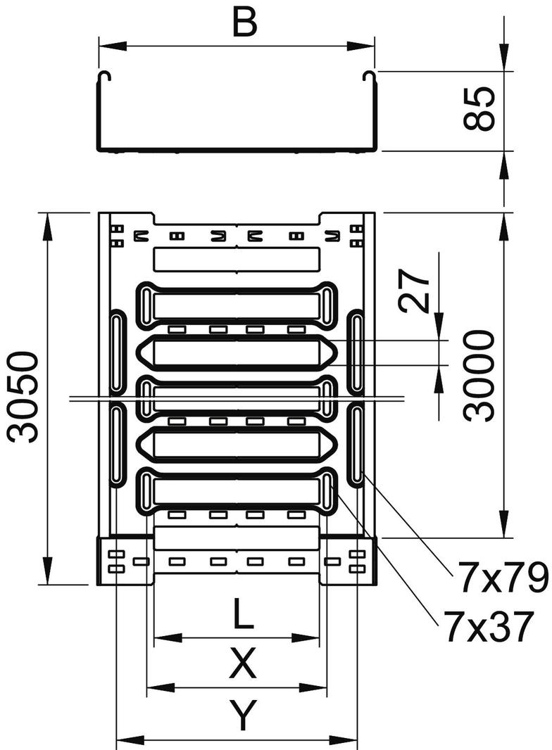
SKSM 85 = System ciężkich koryt kablowych o wysokości boku 85 mm. Długość użytkowa koryta kablowego wynosi 3000 mm.
Koryto posiada ciągłą perforację boczną 7 × 20 mm do montażu dodatkowych elementów przyłączeniowych i montażowych.
System przepuszczalnych koryt kablowych od szerokości 200 mm zgodny z przepisami VdS 2092 o 30%-wej perforacji do zastosowania poniżej instalacji tryskaczowych.