Biuro: tel. +48 (81) 710 11 25 pon.-pt.: 8:00 – 18:00
Darmowa dostawa od 200 zł Sprawdź
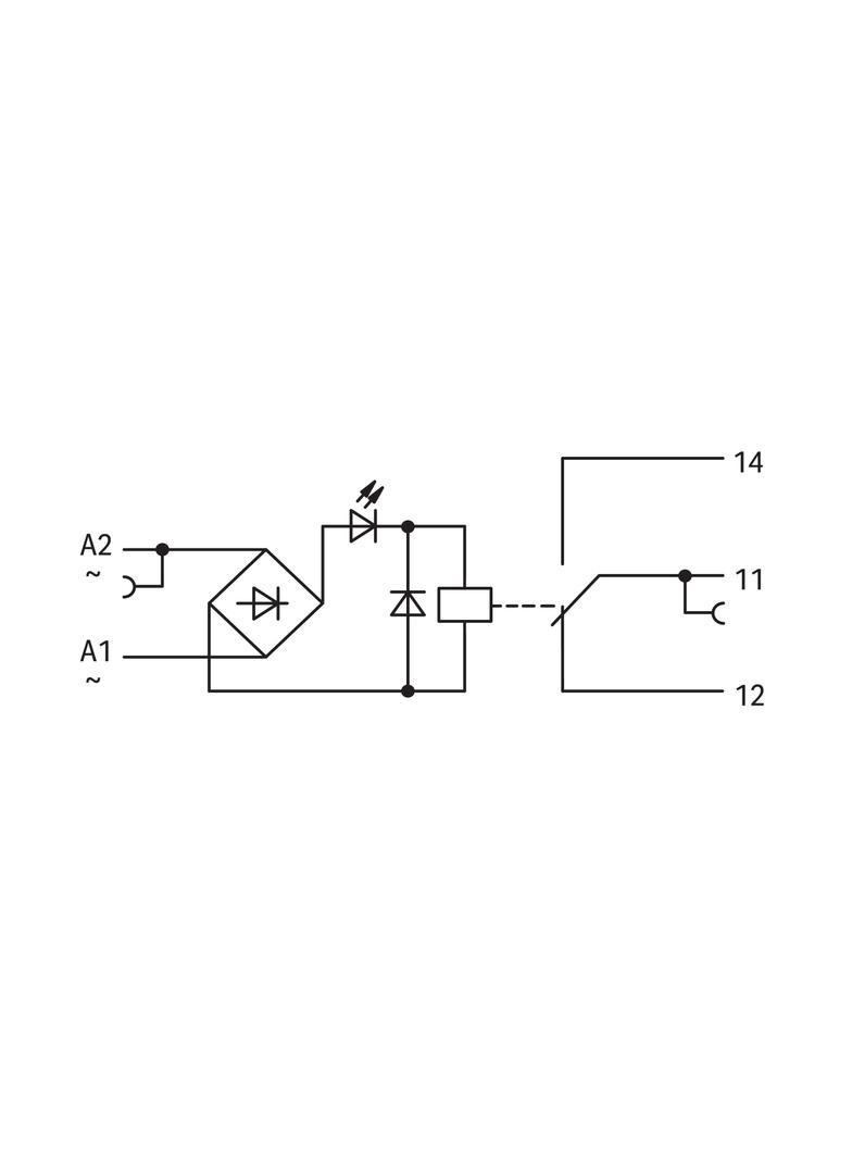
złączka z przekaźnikiem minaturowym 230V AC 1p
złączka z przekaźnikiem minaturowym 230V AC 1p
złączka z przekaźnikiem minaturowym 230V AC 1p
złączka z przekaźnikiem minaturowym 230V AC 1p
złączka z przekaźnikiem minaturowym 230V AC 1p
złączka z przekaźnikiem minaturowym 230V AC 1p
WAGO ELWAG

złączka z przekaźnikiem minaturowym 230V AC 1p

Kod produktu493303
EAN4055143604215
Jednostkaszt
Numer katalogowy859-368
Link do producentaWAGO ELWAG
Podstawowe dane techniczne
Kraj pochodzenia
Niemcy
ETIM
EC001437
24h
Magazyn: 0
14 dni
Producent: 0
Punkty w Elektroklub: pt.

przekaźnik; znamionowe napięcie wejściowe 230 V AC; 1 zestyk przełączny; ze zdefiniowanym progiem załączania; sygnalizacja statusu czerwony; szerokość 6 mm; 2,50 mm²; szary