Biuro: tel. +48 (81) 710 11 25 pon.-pt.: 8:00 – 18:00
Darmowa dostawa od 200 zł Sprawdź
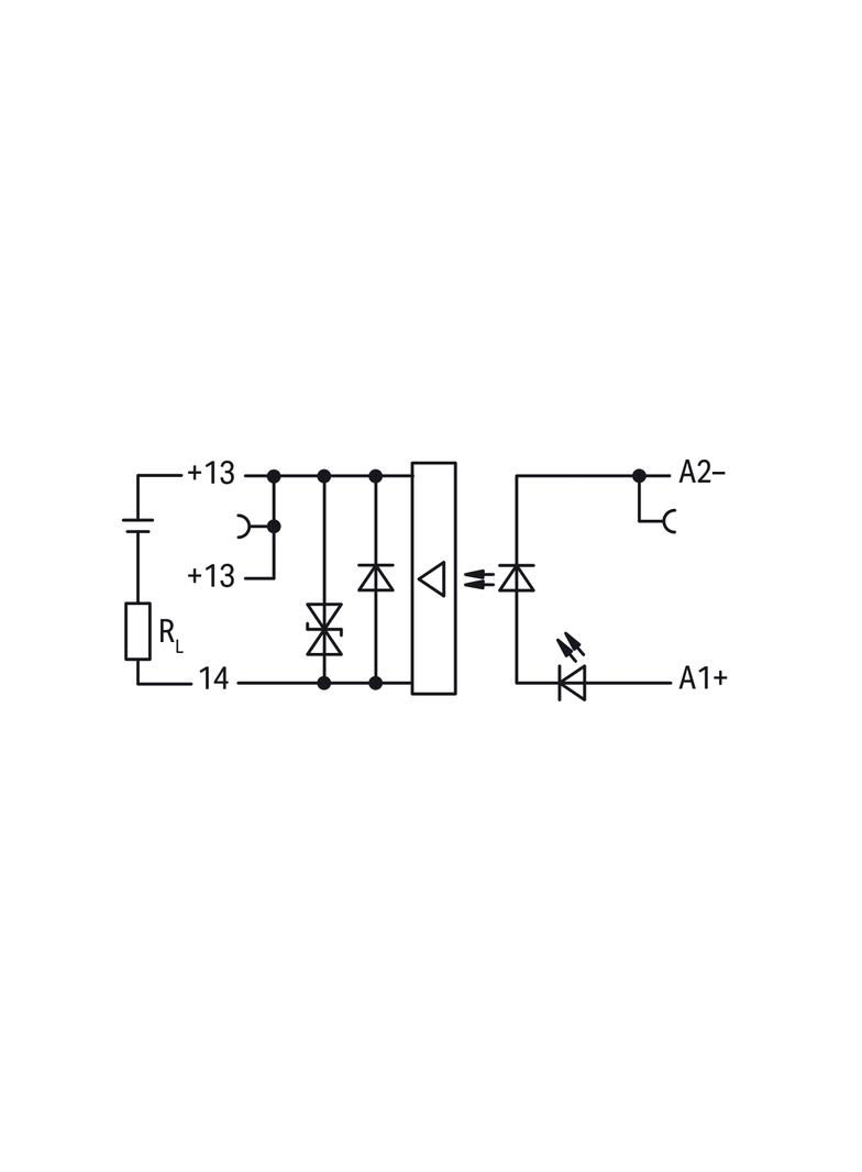
złączka z optoseparatorem mocy 24 V DC
złączka z optoseparatorem mocy 24 V DC
złączka z optoseparatorem mocy 24 V DC
złączka z optoseparatorem mocy 24 V DC
złączka z optoseparatorem mocy 24 V DC
złączka z optoseparatorem mocy 24 V DC
WAGO ELWAG

złączka z optoseparatorem mocy 24 V DC

Kod produktu1041570
EAN4055143606158
Jednostkaszt
Numer katalogowy859-761
Link do producentaWAGO ELWAG
Podstawowe dane techniczne
ETIM
EC001504
Kraj pochodzenia
Niemcy
24h
Magazyn: 0
14 dni
Producent: 0
Punkty w Elektroklub: pt.

optoseparator; znamionowe napięcie wejściowe 24 V DC; zakres napięcia wyjściowego 3 … 30 V DC; maksymalny prąd długotrwały 3 A; podłączanie 2-przewodowe; sygnalizacja statusu czerwony; szerokość 6 mm; szary