Biuro: tel. +48 (81) 710 11 25 pon.-pt.: 8:00 – 18:00
Darmowa dostawa od 200 zł Sprawdź
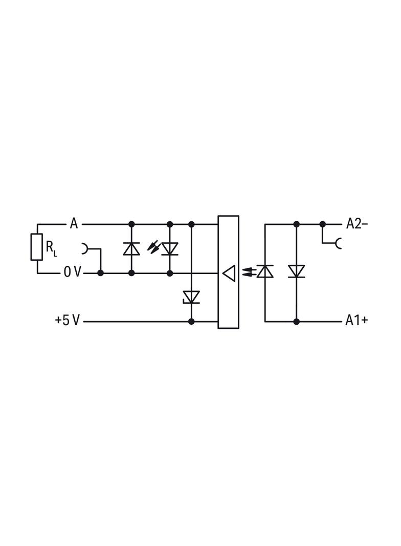
złączka z optoseparatorem 24VDC/5VDC/0,5A/10kHz
złączka z optoseparatorem 24VDC/5VDC/0,5A/10kHz
złączka z optoseparatorem 24VDC/5VDC/0,5A/10kHz
złączka z optoseparatorem 24VDC/5VDC/0,5A/10kHz
złączka z optoseparatorem 24VDC/5VDC/0,5A/10kHz
złączka z optoseparatorem 24VDC/5VDC/0,5A/10kHz
WAGO ELWAG

złączka z optoseparatorem 24VDC/5VDC/0,5A/10kHz

Kod produktu493364
EAN4055143605489
Jednostkaszt
Numer katalogowy859-756
Link do producentaWAGO ELWAG
Podstawowe dane techniczne
ETIM
EC001504
Kraj pochodzenia
Niemcy
24h
Magazyn: 0
14 dni
Producent: 0
Punkty w Elektroklub: pt.

optoseparator; znamionowe napięcie wejściowe 24 V DC; zakres napięcia wyjściowego 4 … 6 V DC; maksymalny prąd długotrwały 0,5 A; częstotliwość 10 kHz; szerokość 6 mm; szary