Biuro: tel. +48 (81) 710 11 25 pon.-pt.: 8:00 – 18:00
Darmowa dostawa od 200 zł Sprawdź
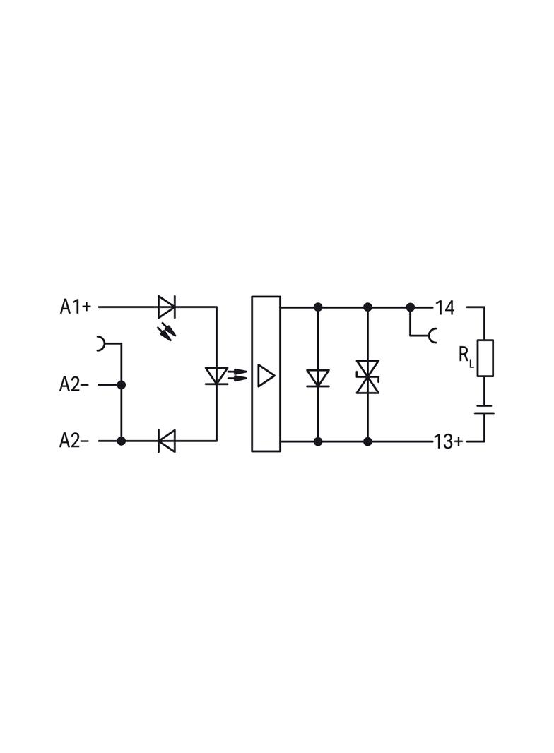
złączka z optoseparatorem 24VDC/3-30VDC/3A
złączka z optoseparatorem 24VDC/3-30VDC/3A
złączka z optoseparatorem 24VDC/3-30VDC/3A
złączka z optoseparatorem 24VDC/3-30VDC/3A
złączka z optoseparatorem 24VDC/3-30VDC/3A
złączka z optoseparatorem 24VDC/3-30VDC/3A
WAGO ELWAG

złączka z optoseparatorem 24VDC/3-30VDC/3A

Kod produktu493360
EAN4055143605427
Jednostkaszt
Numer katalogowy859-740
Link do producentaWAGO ELWAG
Podstawowe dane techniczne
ETIM
EC001504
Kraj pochodzenia
Chiny
24h
Magazyn: 0
14 dni
Producent: 0
Punkty w Elektroklub: pt.

optoseparator; znamionowe napięcie wejściowe 24 V DC; zakres napięcia wyjściowego 3 … 30 V DC; maksymalny prąd długotrwały 5 A; podłączanie 2-przewodowe; szerokość 6 mm; szary