:fill(white)/3e48d7646da1f9b04118abecbd27b2ec.jpg)
:fill(white)/71359a1aefbc6ad8c36063d01e400672.jpg)
:fill(white)/3e48d7646da1f9b04118abecbd27b2ec.jpg)
:fill(white)/71359a1aefbc6ad8c36063d01e400672.jpg)
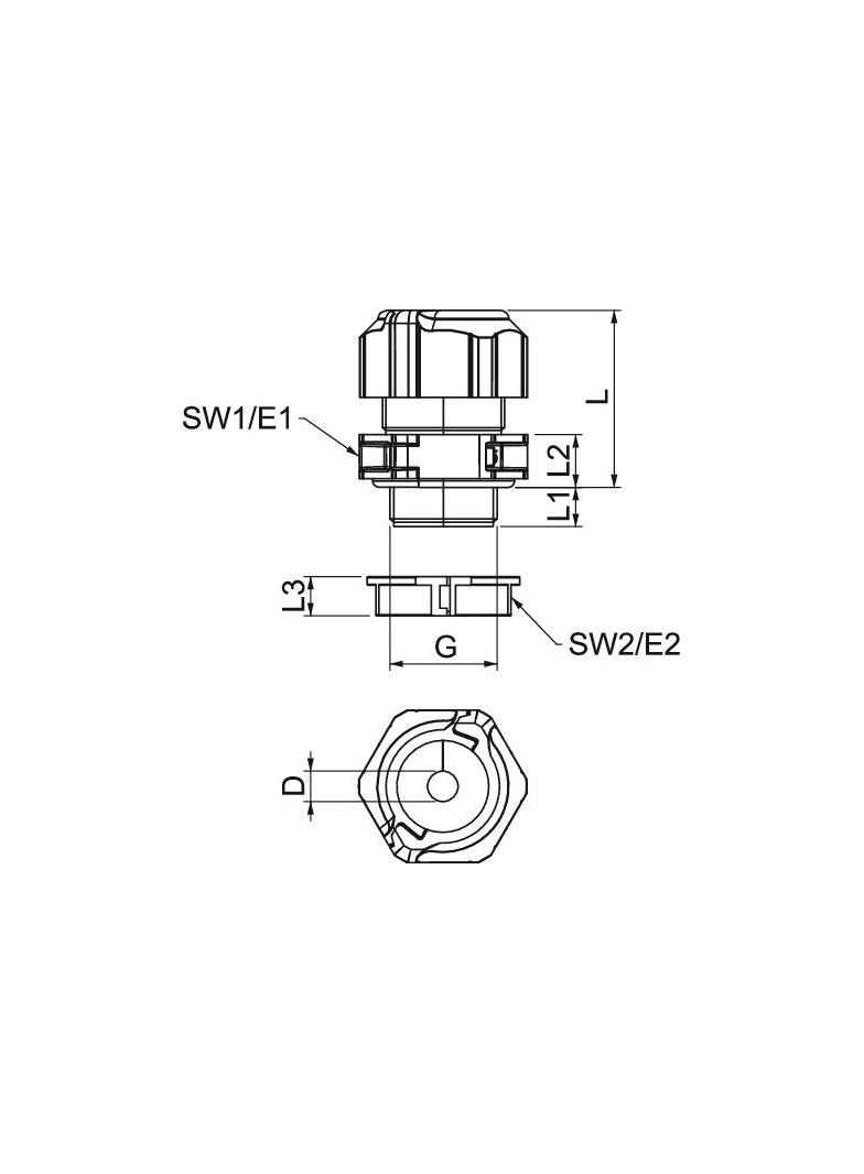
Rozdzielny dławik kablowy V-TEC TB .., podobnie jak wszystkie dławiki V-TEC, zapewnia bezpieczne uszczelnienie kabli. Montaż dławika rozdzielnego jest możliwy na podłączonych już przewodach.
V-TEC TB jest bezkonkurencyjny przy modernizacji istniejącej instalacji. Brak konieczności demontażu przewodów zapewnia zachowanie ciągłości zasilania i brak przestojów np. na produkcji.