:fill(white)/5961d0b169ea5f7c90cdc68be6c8a7ba.jpg)
:fill(white)/1c07deb48f6a2be95f25e15ead3ec083.jpg)
:fill(white)/5961d0b169ea5f7c90cdc68be6c8a7ba.jpg)
:fill(white)/1c07deb48f6a2be95f25e15ead3ec083.jpg)
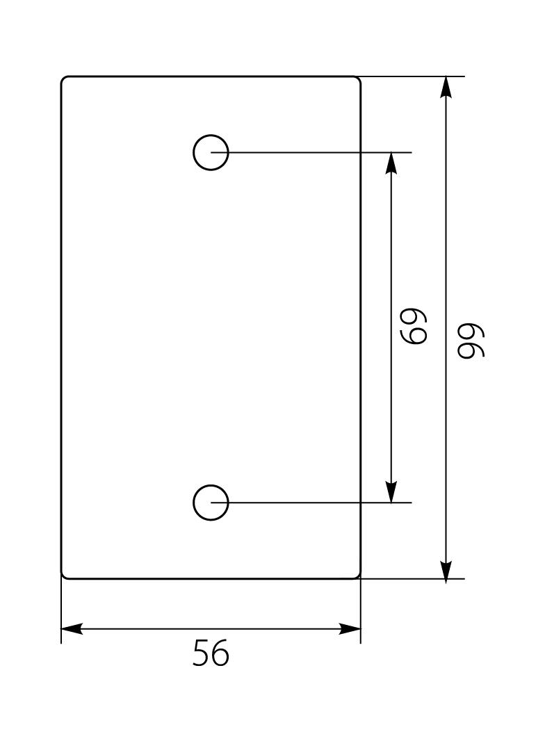
Uchwyt kablowy służy do zamocowania kabla bądź rury, montuje się go na powierzchniach płaskich betonowych itp. w pionie lub poziomie , w rozdzielniach, na konstrukcjach stalowych, na słupach ZN itp. Zastosowano Poliamid z włóknem szklanym o dużej wytrzymałości mechanicznej, oraz różnego rodzaju smary i oleje.