Biuro: tel. +48 (81) 710 11 25 pon.-pt.: 8:00 – 18:00
Darmowa dostawa od 200 zł Sprawdź
Tablica licznikowa TL-1F/3F-3X25A 10.9 OPATÓWEK
Tablica licznikowa TL-1F/3F-3X25A 10.9 OPATÓWEK
Tablica licznikowa TL-1F/3F-3X25A 10.9 OPATÓWEK
Tablica licznikowa TL-1F/3F-3X25A 10.9 OPATÓWEK
ELEKTRO-PLAST OPATÓWEK

Tablica licznikowa TL-1F/3F-3X25A 10.9 OPATÓWEK

Kod produktu410588
EAN5903978376106
Jednostkaszt
Numer katalogowy10.9
Link do producentaELEKTRO-PLAST OPATÓWEK
Podstawowe dane techniczne
ETIM
EC000068
Kraj pochodzenia
Polska
24h
Magazyn: 0
14 dni
Producent: 0
Punkty w Elektroklub: pt.

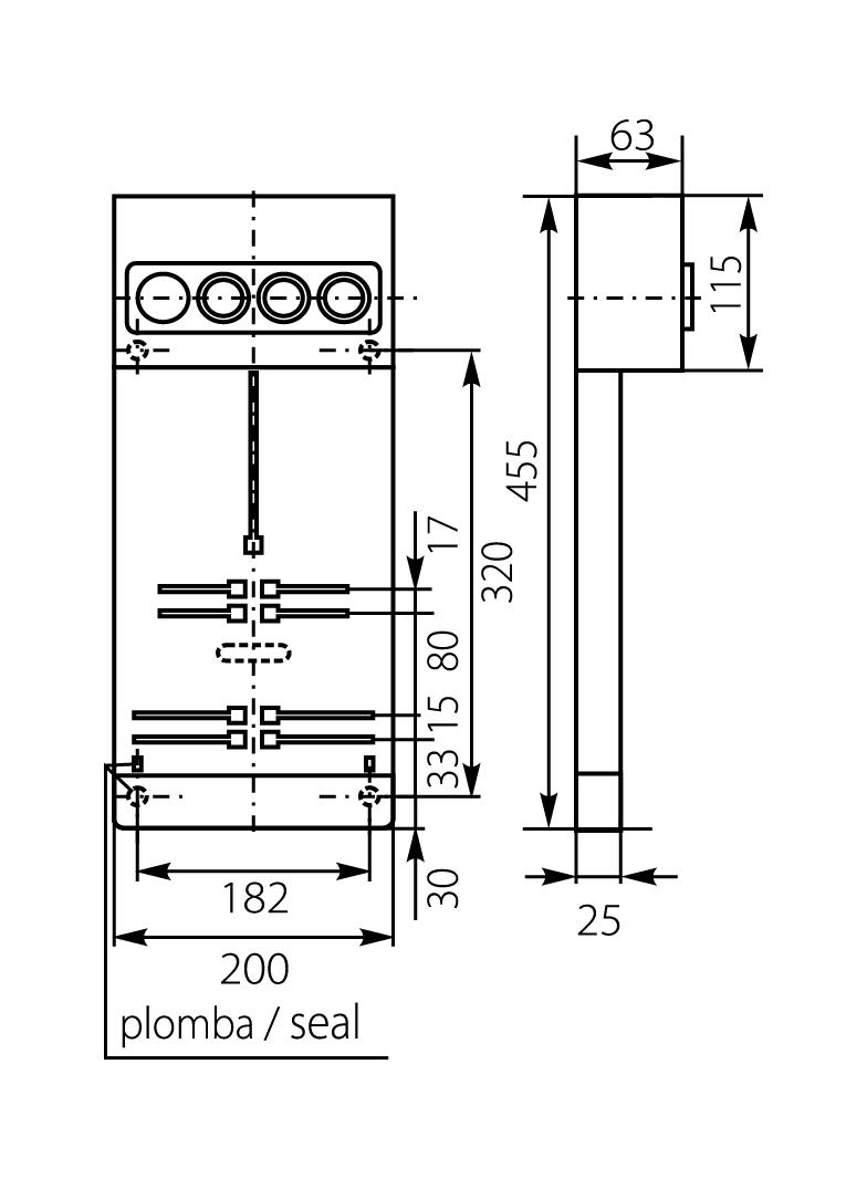
Tablice Licznikowe typu “TL” wyposażone są w gniazda bezpiecznikowe E27 umożliwiające zabezpieczenie od 1 do 4 obwodów wkładkami topikowymi 2-25A, listwy z zaciskami dla przyłączania przewodów w torze N.