Menu
Konto
0
Ulubione
0
Koszyk
Biuro:
tel. +48 (81) 710 11 25
pon.-pt.: 8:00 – 18:00
Darmowa dostawa od 200 zł
Sprawdź
Blog
Oddziały hurtowe
Polski / PLN
Wyświetl cenę
0
0
Koszyk:
0,00 zł
Kategorie
Producenci
Promocje
Konfiguratory
Strefa porad
Programy partnerskie
Zostań naszym klientem
Kontakt
Strona główna
Rozdzielnice, szafy, obudowy
Panele licznikowe
Tablica licznikowa
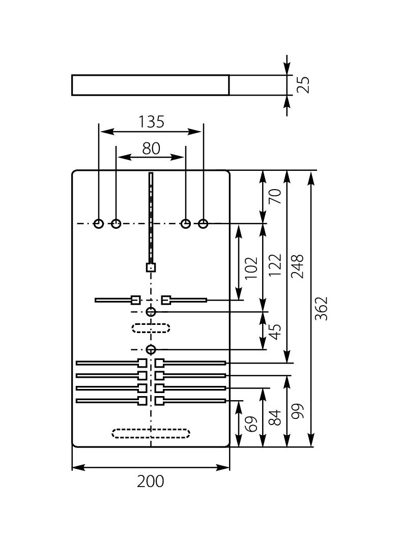
Tablica licznikowa T-1F/3F-b/z-NOVA 10.11 OPATÓWEK
ELEKTRO-PLAST OPATÓWEK
Tablica licznikowa T-1F/3F-b/z-NOVA 10.11 OPATÓWEK
Kod produktu
410581
EAN
5903978376373
Jednostka
szt
Numer katalogowy
10.11
Link do producenta
ELEKTRO-PLAST OPATÓWEK
Podstawowe dane techniczne
ETIM
EC000068
Kraj pochodzenia
Polska
24h
Magazyn: 0
14 dni
Producent: 0
Punkty w Elektroklub: pt.
Dodaj do ulubionych
Opis produktu
Tablice Licznikowe typu “B/Z” przystosowane są tylko do montażu liczników energii elektrycznej.
Dane techniczne
ETIM:
EC000068
Kraj pochodzenia:
Polska
Numer katalogowy:
10.11