Biuro: tel. +48 (81) 710 11 25 pon.-pt.: 8:00 – 18:00
Darmowa dostawa od 200 zł Sprawdź
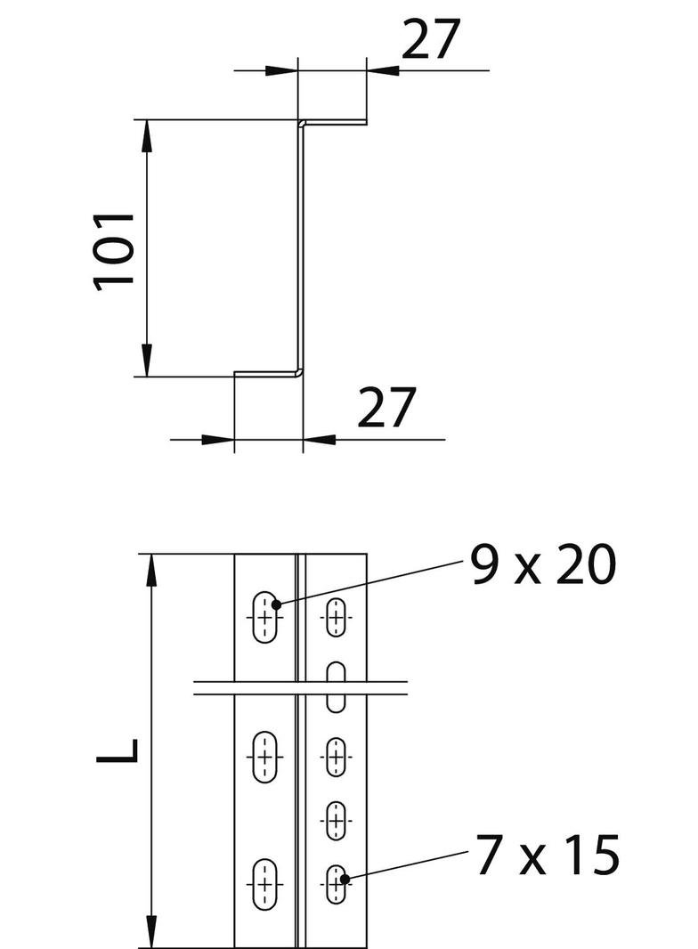
STP Z 1040 FS, Profil wsporczy
STP Z 1040 FS, Profil wsporczy
STP Z 1040 FS, Profil wsporczy
STP Z 1040 FS, Profil wsporczy
OBO BETTERMAN

STP Z 1040 FS, Profil wsporczy

Kod produktu869554
EAN4012196341757
Jednostkaszt
Numer katalogowy6044587
Link do producentaOBO BETTERMAN
Podstawowe dane techniczne
ETIM
EC002409
Szerokość
0.056
Długość
0.4
Głębokość
0.101
Waga
0.896
24h
Magazyn: 0
14 dni
Producent: 0
Punkty w Elektroklub: pt.

Profil wsporczy w celu podniesienia nad podłogą systemu koryt kablowych BKRS. Profil typu Z należy zamocować obustronnie.

Akcesoria
FRSB 6x12 F
Śruba z łbem grzybkowym z nakrętką kombi