:fill(white)/034d728d5c7bf349ead3698cfebda7c6.jpg)
:fill(white)/051e8c4647626ced0fac77b9ad2ea1e4.jpg)
:fill(white)/034d728d5c7bf349ead3698cfebda7c6.jpg)
:fill(white)/051e8c4647626ced0fac77b9ad2ea1e4.jpg)
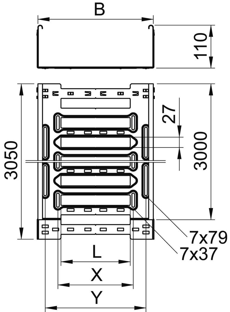
SKSM 110 = System ciężkich koryt kablowych o wysokości boku 110 mm. Długość użytkowa koryta kablowego wynosi 3000 mm.
Koryto posiada ciągłą perforację boczną 7 × 20 mm do montażu dodatkowych elementów przyłączeniowych i montażowych.
System przepuszczalnych koryt kablowych od szerokości 200 mm zgodny z przepisami VdS 2092 o 30%-wej perforacji do zastosowania poniżej instalacji tryskaczowych.