:fill(white)/e913856f10f529bce00c71af7b59c437.jpg)
:fill(white)/e481b401190cfc848679bbf20c1d9778.jpg)
:fill(white)/e913856f10f529bce00c71af7b59c437.jpg)
:fill(white)/e481b401190cfc848679bbf20c1d9778.jpg)
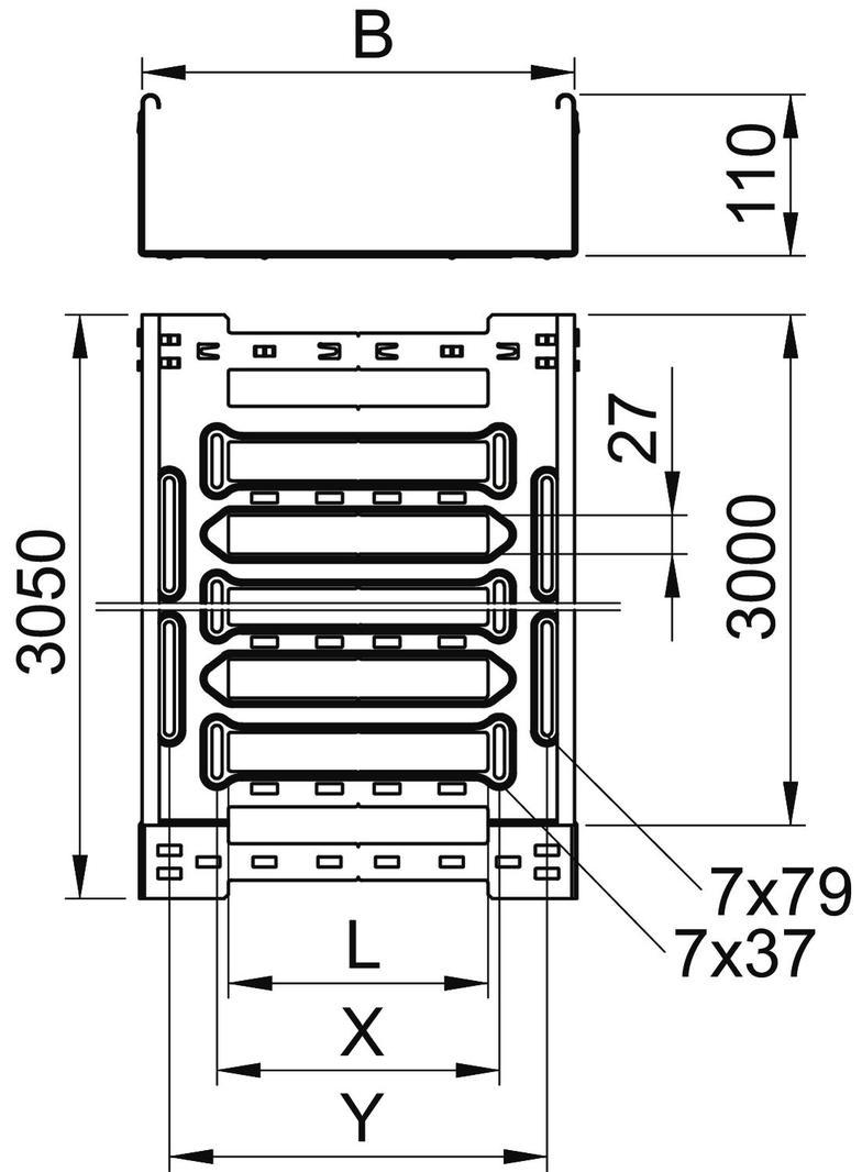
SKSM 110 = System ciężkich koryt kablowych o wysokości boku 110 mm. Długość użytkowa koryta kablowego wynosi 3000 mm.
Koryto posiada ciągłą perforację boczną 7 × 20 mm do montażu dodatkowych elementów przyłączeniowych i montażowych.
System przepuszczalnych koryt kablowych od szerokości 200 mm zgodny z przepisami VdS 2092 o 30%-wej perforacji do zastosowania poniżej instalacji tryskaczowych.