:fill(white)/4043b1a8d8c2e2f9fea77a3c78a0fff9.jpg)
:fill(white)/81575b02a72937e85cec59b65a0ebf52.jpg)
:fill(white)/4043b1a8d8c2e2f9fea77a3c78a0fff9.jpg)
:fill(white)/81575b02a72937e85cec59b65a0ebf52.jpg)
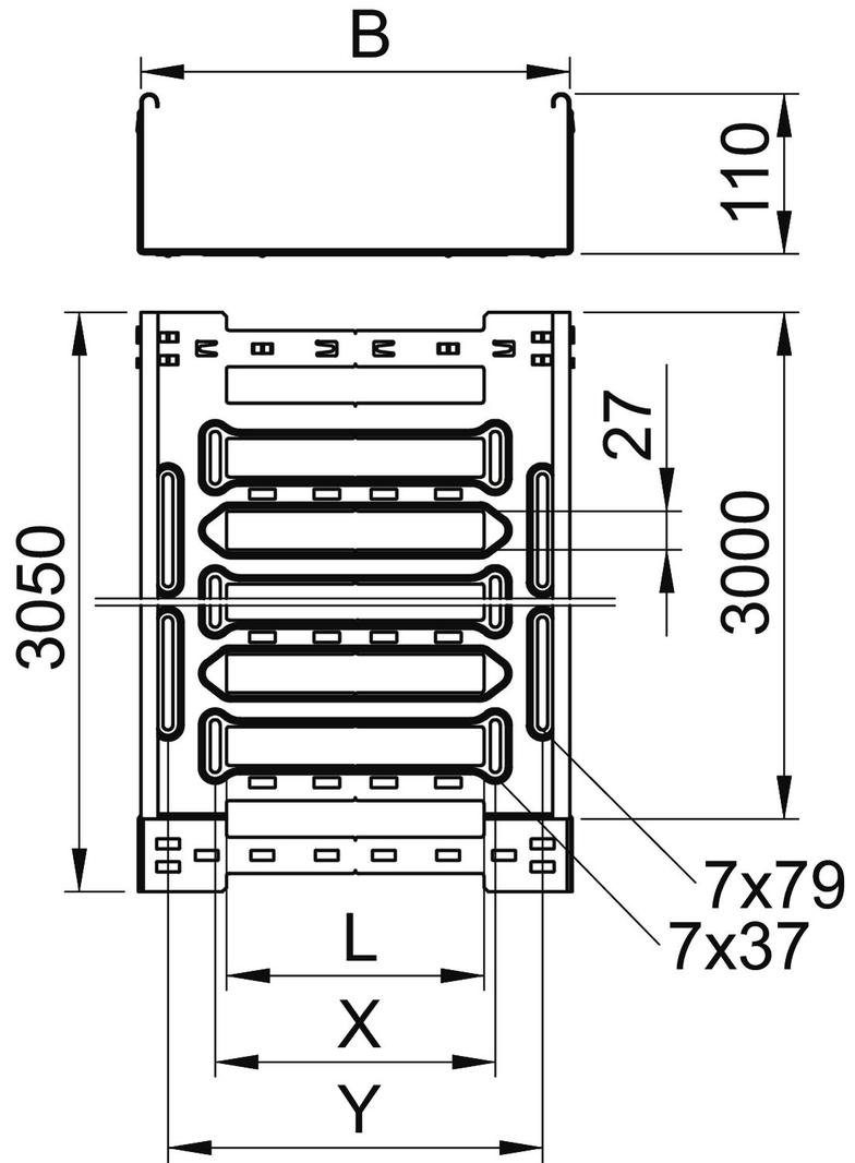
SKSM 110 = System ciężkich koryt kablowych o wysokości boku 110 mm. Długość użytkowa koryta kablowego wynosi 3000 mm.
Koryto posiada ciągłą perforację boczną 7 × 20 mm do montażu dodatkowych elementów przyłączeniowych i montażowych.
System przepuszczalnych koryt kablowych od szerokości 200 mm zgodny z przepisami VdS 2092 o 30%-wej perforacji do zastosowania poniżej instalacji tryskaczowych.