:fill(white)/16966f24fafceff8f9aee17b5dcfc5ba.jpg)
:fill(white)/42c46532d8e5e6aef94a5e80d6758e0c.jpg)
:fill(white)/16966f24fafceff8f9aee17b5dcfc5ba.jpg)
:fill(white)/42c46532d8e5e6aef94a5e80d6758e0c.jpg)
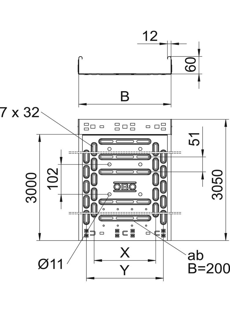
Koryto kablowe ze zintegrowanym systemem szybkiego mocowania. Długość użytkowa koryta kablowego wynosi 3000 mm.
Koryto posiada ciągłą perforację boczną 7 × 20 mm do montażu dodatkowych elementów przyłączeniowych i montażowych.
Perforacja do bezpośredniego zawieszenia pręta gwintowanego ma średnicę 11 mm.