:fill(white)/18489f4071bb3095c1caff066ce52846.jpg)
:fill(white)/1b36585d1573214528c6298d6aa479d3.jpg)
:fill(white)/18489f4071bb3095c1caff066ce52846.jpg)
:fill(white)/1b36585d1573214528c6298d6aa479d3.jpg)
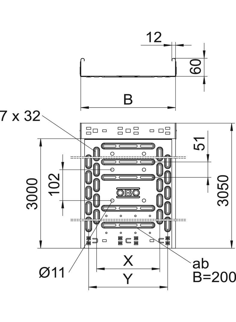
Koryto kablowe ze zintegrowanym systemem szybkiego mocowania. Długość użytkowa koryta kablowego wynosi 3000 mm.
Koryto posiada ciągłą perforację boczną 7 × 20 mm do montażu dodatkowych elementów przyłączeniowych i montażowych.
Perforacja do bezpośredniego zawieszenia pręta gwintowanego ma średnicę 11 mm.