:fill(white)/b8a87f0382d48553a322e79b17c2c2e7.jpg)
:fill(white)/be9682c08dd0e0b3afdb5916db95e101.jpg)
:fill(white)/b8a87f0382d48553a322e79b17c2c2e7.jpg)
:fill(white)/be9682c08dd0e0b3afdb5916db95e101.jpg)
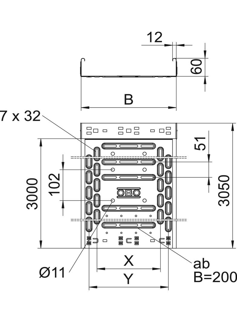
Koryto kablowe ze zintegrowanym systemem szybkiego mocowania. Długość użytkowa koryta kablowego wynosi 3000 mm.
Koryto posiada ciągłą perforację boczną 7 × 20 mm do montażu dodatkowych elementów przyłączeniowych i montażowych.
Perforacja do bezpośredniego zawieszenia pręta gwintowanego ma średnicę 11 mm.