:fill(white)/53c30f6dca92cd1b6e38da0c6db97d3a.jpg)
:fill(white)/8f17075166e1c9cabbe6c0fd54e9ca1e.jpg)
:fill(white)/53c30f6dca92cd1b6e38da0c6db97d3a.jpg)
:fill(white)/8f17075166e1c9cabbe6c0fd54e9ca1e.jpg)
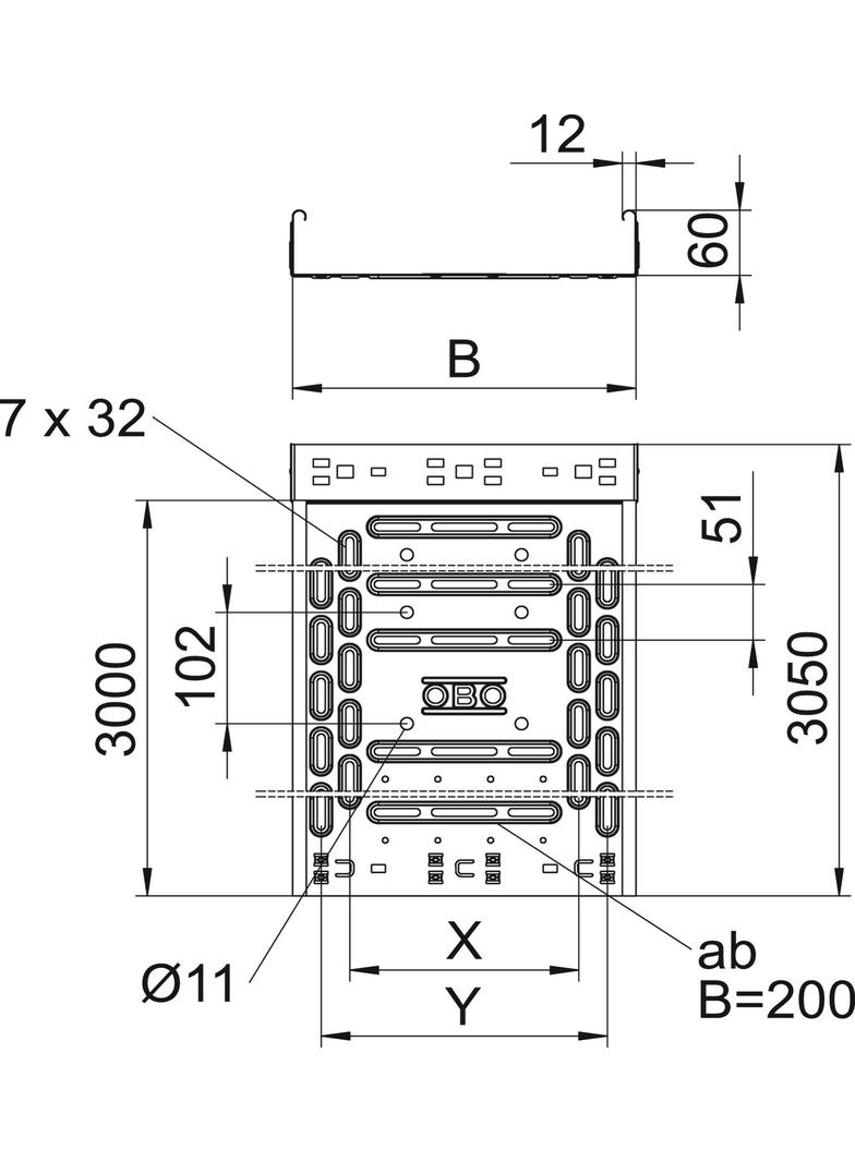
Koryto kablowe ze zintegrowanym systemem szybkiego mocowania. Długość użytkowa koryta kablowego wynosi 3000 mm.
Koryto posiada ciągłą perforację boczną 7 × 20 mm do montażu dodatkowych elementów przyłączeniowych i montażowych.
Perforacja do bezpośredniego zawieszenia pręta gwintowanego ma średnicę 11 mm.