:fill(white)/ba7fb956a345354a189a6181c52b39a2.jpg)
:fill(white)/dbe48cb47534cfdb9bdb4cd66a3e1942.jpg)
:fill(white)/ba7fb956a345354a189a6181c52b39a2.jpg)
:fill(white)/dbe48cb47534cfdb9bdb4cd66a3e1942.jpg)
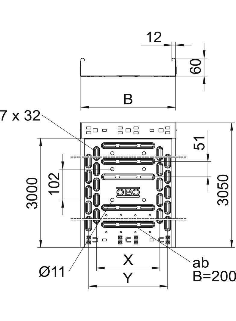
Koryto kablowe ze zintegrowanym systemem szybkiego mocowania. Długość użytkowa koryta kablowego wynosi 3000 mm.
Koryto posiada ciągłą perforację boczną 7 × 20 mm do montażu dodatkowych elementów przyłączeniowych i montażowych.
Perforacja do bezpośredniego zawieszenia pręta gwintowanego ma średnicę 11 mm.