:fill(white)/6675760e6d3969058b42b467efa540e8.jpg)
:fill(white)/f8df7ef681382994f438941ff0444496.jpg)
:fill(white)/6675760e6d3969058b42b467efa540e8.jpg)
:fill(white)/f8df7ef681382994f438941ff0444496.jpg)
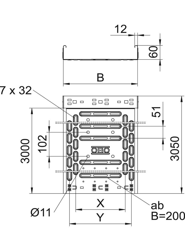
Koryto kablowe ze zintegrowanym systemem szybkiego mocowania. Długość użytkowa koryta kablowego wynosi 3000 mm.
Koryto posiada ciągłą perforację boczną 7 × 20 mm do montażu dodatkowych elementów przyłączeniowych i montażowych.
Perforacja do bezpośredniego zawieszenia pręta gwintowanego ma średnicę 11 mm.