:fill(white)/858490a2426ed02fd00ea9b7d6644c96.jpg)
:fill(white)/1c387bb237b1e766ea5b37587ed34357.jpg)
:fill(white)/858490a2426ed02fd00ea9b7d6644c96.jpg)
:fill(white)/1c387bb237b1e766ea5b37587ed34357.jpg)
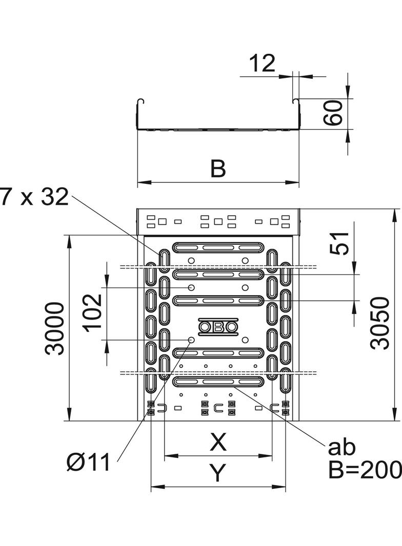
Koryto kablowe ze zintegrowanym systemem szybkiego mocowania. Długość użytkowa koryta kablowego wynosi 3000 mm.
Koryto posiada ciągłą perforację boczną 7 × 20 mm do montażu dodatkowych elementów przyłączeniowych i montażowych.
Perforacja do bezpośredniego zawieszenia pręta gwintowanego ma średnicę 11 mm.