:fill(white)/40aaf0563b468e7c2a02341d69ad7998.jpg)
:fill(white)/cbdb6349c89cc39f154b74241b0fda84.jpg)
:fill(white)/40aaf0563b468e7c2a02341d69ad7998.jpg)
:fill(white)/cbdb6349c89cc39f154b74241b0fda84.jpg)
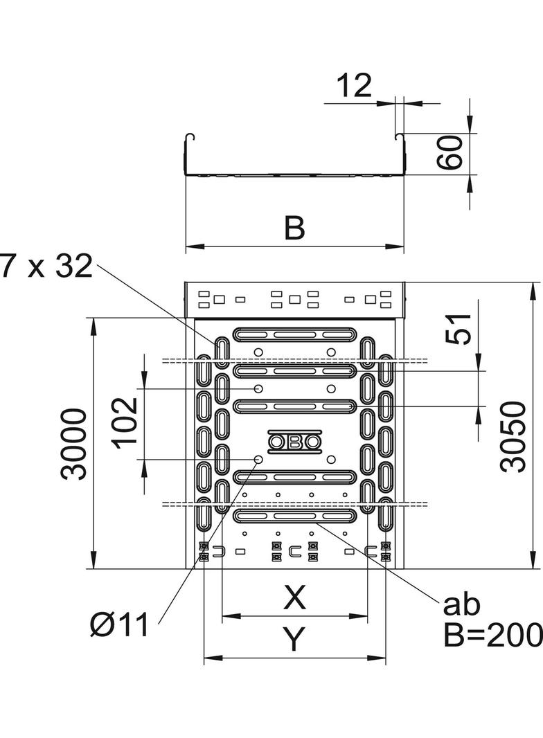
Koryto kablowe ze zintegrowanym systemem szybkiego mocowania. Długość użytkowa koryta kablowego wynosi 3000 mm.
Koryto posiada ciągłą perforację boczną 7 × 20 mm do montażu dodatkowych elementów przyłączeniowych i montażowych.
Perforacja do bezpośredniego zawieszenia pręta gwintowanego ma średnicę 11 mm.