:fill(white)/242af8d1310502bad8486853490efd1b.jpg)
:fill(white)/559888f9076b5e8d79c30813489002f3.jpg)
:fill(white)/242af8d1310502bad8486853490efd1b.jpg)
:fill(white)/559888f9076b5e8d79c30813489002f3.jpg)
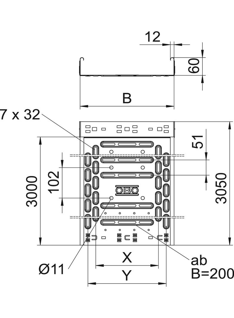
Koryto kablowe ze zintegrowanym systemem szybkiego mocowania. Długość użytkowa koryta kablowego wynosi 3000 mm.
Koryto posiada ciągłą perforację boczną 7 × 20 mm do montażu dodatkowych elementów przyłączeniowych i montażowych.
Perforacja do bezpośredniego zawieszenia pręta gwintowanego ma średnicę 11 mm.