:fill(white)/aea16862d1249522391474655e1abacd.jpg)
:fill(white)/fd8338701b84b7549eb240f8252923ca.jpg)
:fill(white)/aea16862d1249522391474655e1abacd.jpg)
:fill(white)/fd8338701b84b7549eb240f8252923ca.jpg)
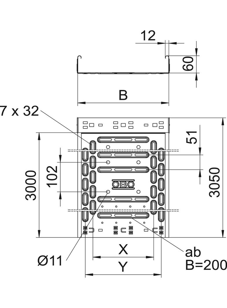
Koryto kablowe ze zintegrowanym systemem szybkiego mocowania. Długość użytkowa koryta kablowego wynosi 3000 mm.
Koryto posiada ciągłą perforację boczną 7 × 20 mm do montażu dodatkowych elementów przyłączeniowych i montażowych.
Perforacja do bezpośredniego zawieszenia pręta gwintowanego ma średnicę 11 mm.