:fill(white)/15e9e8a52544afe36aa919f9ea70cc41.jpg)
:fill(white)/cdb24ba1dc3f0b40af807da006d40a09.jpg)
:fill(white)/15e9e8a52544afe36aa919f9ea70cc41.jpg)
:fill(white)/cdb24ba1dc3f0b40af807da006d40a09.jpg)
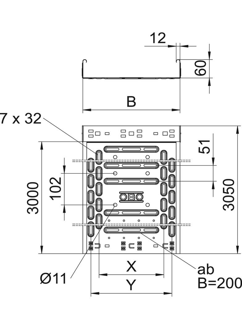
Koryto kablowe ze zintegrowanym systemem szybkiego mocowania. Długość użytkowa koryta kablowego wynosi 3000 mm.
Koryto posiada ciągłą perforację boczną 7 × 20 mm do montażu dodatkowych elementów przyłączeniowych i montażowych.
Perforacja do bezpośredniego zawieszenia pręta gwintowanego ma średnicę 11 mm.