:fill(white)/a7e762aa87057084f267e90871ec6d58.jpg)
:fill(white)/89629cb31f540c48b40d03fccaeb4120.jpg)
:fill(white)/a7e762aa87057084f267e90871ec6d58.jpg)
:fill(white)/89629cb31f540c48b40d03fccaeb4120.jpg)
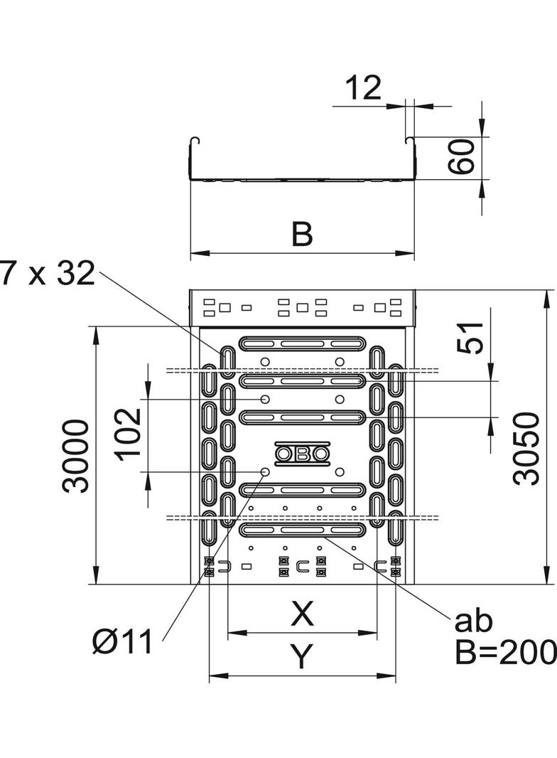
Koryto kablowe ze zintegrowanym systemem szybkiego mocowania. Długość użytkowa koryta kablowego wynosi 3000 mm.
Koryto posiada ciągłą perforację boczną 7 × 20 mm do montażu dodatkowych elementów przyłączeniowych i montażowych.
Perforacja do bezpośredniego zawieszenia pręta gwintowanego ma średnicę 11 mm.