Menu
Konto
0
Ulubione
0
Koszyk
Biuro:
tel. +48 (81) 710 11 25
pon.-pt.: 8:00 – 18:00
Darmowa dostawa od 200 zł
Sprawdź
Blog
Oddziały hurtowe
Polski / PLN
Wyświetl cenę
0
0
Koszyk:
0,00 zł
Kategorie
Producenci
Promocje
Konfiguratory
Strefa porad
Programy partnerskie
Zostań naszym klientem
Kontakt
Strona główna
Kablowe systemy nośne
Redukcja do korytek kablowych
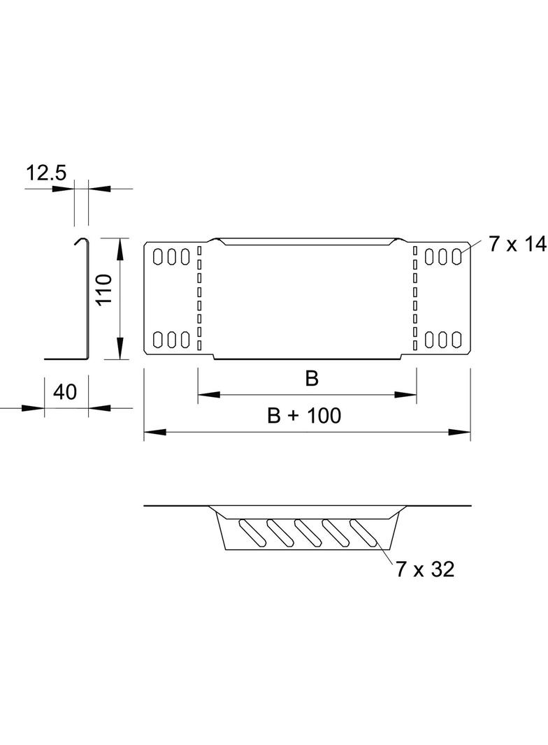
REDUKCJA I ZAKOŃ.110X300MM FS
OBO BETTERMAN
REDUKCJA I ZAKOŃ.110X300MM FS
Kod produktu
192509
EAN
4012196243013
Jednostka
szt
Numer katalogowy
7111304
Link do producenta
OBO BETTERMAN
Podstawowe dane techniczne
ETIM
EC001007
Długość
0.04
Głębokość
0.11
Waga
0.408
Szerokość
0.395
24h
Magazyn: 0
14 dni
Producent: 224
Punkty w Elektroklub: pt.
Dodaj do ulubionych
Opis produktu
Redukcja i blacha zakończeniowa do koryt kablowych o wysokości boku 110 mm.
Dane techniczne
Numer katalogowy:
7111304
ETIM:
EC001007
Długość:
0.04
Głębokość:
0.11
Waga:
0.408
Szerokość:
0.395
Pliki do pobrania
1
Karta produktu
RWEB 130 FS-7111304-pl_PL.pdf