Menu
Konto
0
Ulubione
0
Koszyk
Biuro:
tel. +48 (81) 710 11 25
pon.-pt.: 8:00 – 18:00
Darmowa dostawa od 200 zł
Sprawdź
Blog
Oddziały hurtowe
Polski / PLN
Wyświetl cenę
0
0
Koszyk:
0,00 zł
Kategorie
Producenci
Promocje
Konfiguratory
Strefa porad
Programy partnerskie
Zostań naszym klientem
Kontakt
Strona główna
Kablowe systemy nośne
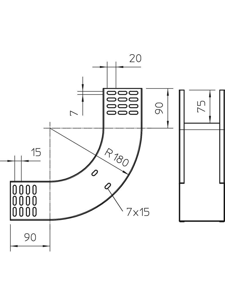
Łuk do korytek kablowych
RBV 810 S FS, ŁUK 90
OBO BETTERMAN
RBV 810 S FS, ŁUK 90
Kod produktu
872766
EAN
4012195711537
Jednostka
szt
Numer katalogowy
7007230
Link do producenta
OBO BETTERMAN
Podstawowe dane techniczne
ETIM
EC002400
Głębokość
0.299
Waga
0.972
Długość
0.299
Szerokość
0.104
24h
Magazyn: 0
14 dni
Producent: 0
Punkty w Elektroklub: pt.
Dodaj do ulubionych
Opis produktu
Łuk pionowy 90° wznoszący, do wszystkich typów koryt o wys. boku 85 mm.
Dane techniczne
Numer katalogowy:
7007230
ETIM:
EC002400
Głębokość:
0.299
Waga:
0.972
Długość:
0.299
Szerokość:
0.104
Pliki do pobrania
2
Deklaracja RoHS
7007230-RoHS.pdf
Karta produktu
RBV_810_S_FS-7007230-pl_PL.pdf
Akcesoria
OBO BETTERMAN
FRSB 6x12 F Śruba z łbem grzybkowym z nakrętką kombi
24h
Magazyn: 0
14 dni
Producent: 75700
Do koszyka