Menu
Konto
0
Ulubione
0
Koszyk
Biuro:
tel. +48 (81) 710 11 25
pon.-pt.: 8:00 – 18:00
Darmowa dostawa od 200 zł
Sprawdź
Blog
Oddziały hurtowe
Polski / PLN
Wyświetl cenę
0
0
Koszyk:
0,00 zł
Kategorie
Producenci
Promocje
Konfiguratory
Strefa porad
Programy partnerskie
Zostań naszym klientem
Kontakt
Strona główna
Kablowe systemy nośne
Łuk do korytek kablowych
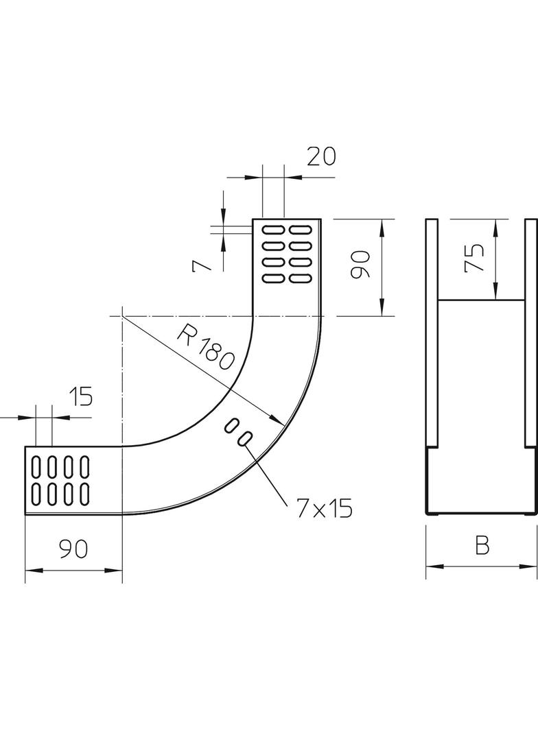
RBV 620 S VA4301, Łuk pionowy 90°
OBO BETTERMAN
RBV 620 S VA4301, Łuk pionowy 90°
Kod produktu
872734
EAN
4012195886181
Jednostka
szt
Numer katalogowy
7007109
Link do producenta
OBO BETTERMAN
Podstawowe dane techniczne
ETIM
EC002400
Głębokość
0.274
Waga
1.091
Długość
0.274
Szerokość
0.203
24h
Magazyn: 0
14 dni
Producent: 0
Punkty w Elektroklub: pt.
Dodaj do ulubionych
Opis produktu
Kolanko pionowe 90° w wersji wznoszącej do wszystkich koryt kablowych o wysokości boku 60 mm.
Dane techniczne
Numer katalogowy:
7007109
ETIM:
EC002400
Głębokość:
0.274
Waga:
1.091
Długość:
0.274
Szerokość:
0.203