Menu
Konto
0
Ulubione
0
Koszyk
Biuro:
tel. +48 (81) 710 11 25
pon.-pt.: 8:00 – 18:00
Darmowa dostawa od 200 zł
Sprawdź
Blog
Oddziały hurtowe
Polski / PLN
Wyświetl cenę
0
0
Koszyk:
0,00 zł
Kategorie
Producenci
Promocje
Konfiguratory
Strefa porad
Programy partnerskie
Zostań naszym klientem
Kontakt
Strona główna
Kablowe systemy nośne
Łuk do korytek kablowych
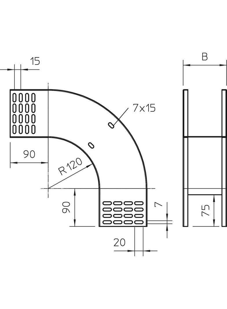
RBV 120 F FS, ŁUK 90
OBO BETTERMAN
RBV 120 F FS, ŁUK 90
Kod produktu
872810
EAN
4012195711827
Jednostka
szt
Numer katalogowy
7007354
Link do producenta
OBO BETTERMAN
Podstawowe dane techniczne
ETIM
EC002400
Głębokość
0.203
Waga
1.241
Długość
0.324
Szerokość
0.324
24h
Magazyn: 0
14 dni
Producent: 0
Punkty w Elektroklub: pt.
Dodaj do ulubionych
Opis produktu
Łuk pionowy 90° opadający, do wszystkich typów koryt o wys. boku 110 mm.
Dane techniczne
Numer katalogowy:
7007354
ETIM:
EC002400
Głębokość:
0.203
Waga:
1.241
Długość:
0.324
Szerokość:
0.324
Pliki do pobrania
2
Deklaracja RoHS
7007354-RoHS.pdf
Karta produktu
RBV_120_F_FS-7007354-pl_PL.pdf
Akcesoria
OBO BETTERMAN
FRSB 6x12 F Śruba z łbem grzybkowym z nakrętką kombi
24h
Magazyn: 0
14 dni
Producent: 75700
Do koszyka