:fill(white)/45fd6957732c9a9572734fb7277aeb5b.jpg)
:fill(white)/196e278b6feeed05c811da9daa8c54f8.jpg)
:fill(white)/93066f13e6f227bf1ba98373905e4dca.jpg)
:fill(white)/45fd6957732c9a9572734fb7277aeb5b.jpg)
:fill(white)/196e278b6feeed05c811da9daa8c54f8.jpg)
:fill(white)/93066f13e6f227bf1ba98373905e4dca.jpg)
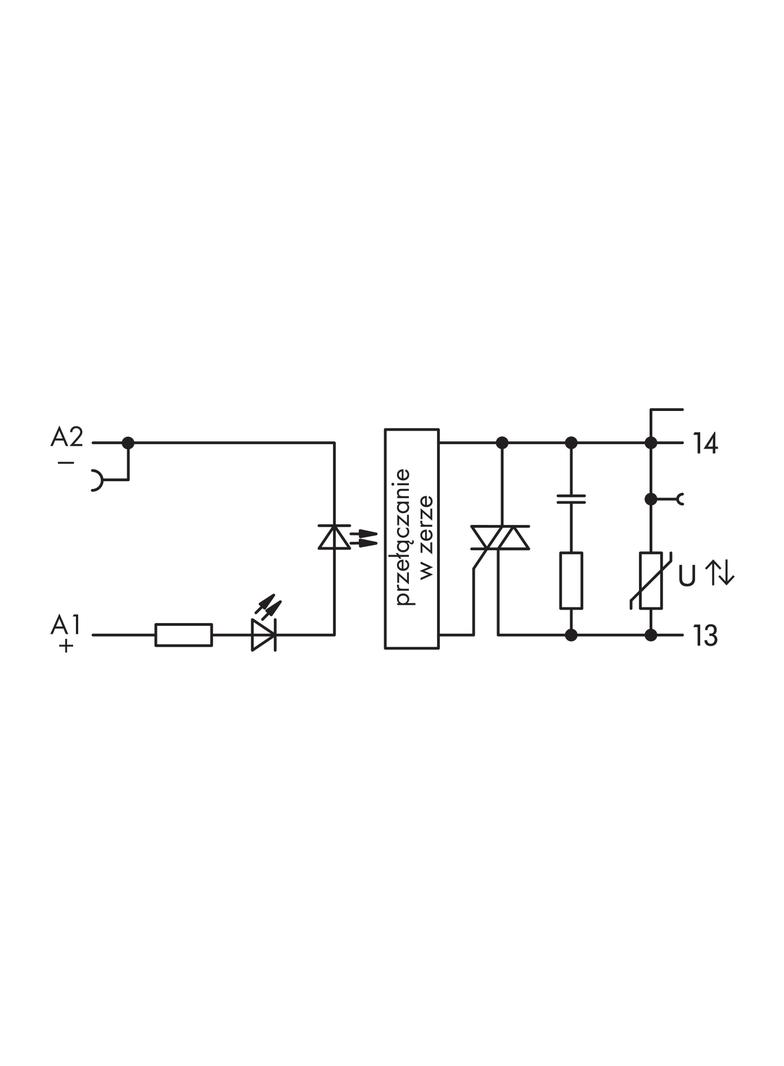
optoseparator; znamionowe napięcie wejściowe 24 V DC; zakres napięcia wyjściowego 24 … 260 V AC; maksymalny prąd długotrwały 0,5 A; podłączanie 2-przewodowe; załączanie w przejściu przez zero; sygnalizacja statusu czerwony; szerokość 6 mm; jasnoszary