:fill(white)/b5ee72b8482ee8deedd5ad67d0021741.jpg)
:fill(white)/85e8c29fab58200cedb858a5f350b69b.jpg)
:fill(white)/af202de434853227b50071a80d91dcf6.jpg)
:fill(white)/b5ee72b8482ee8deedd5ad67d0021741.jpg)
:fill(white)/85e8c29fab58200cedb858a5f350b69b.jpg)
:fill(white)/af202de434853227b50071a80d91dcf6.jpg)
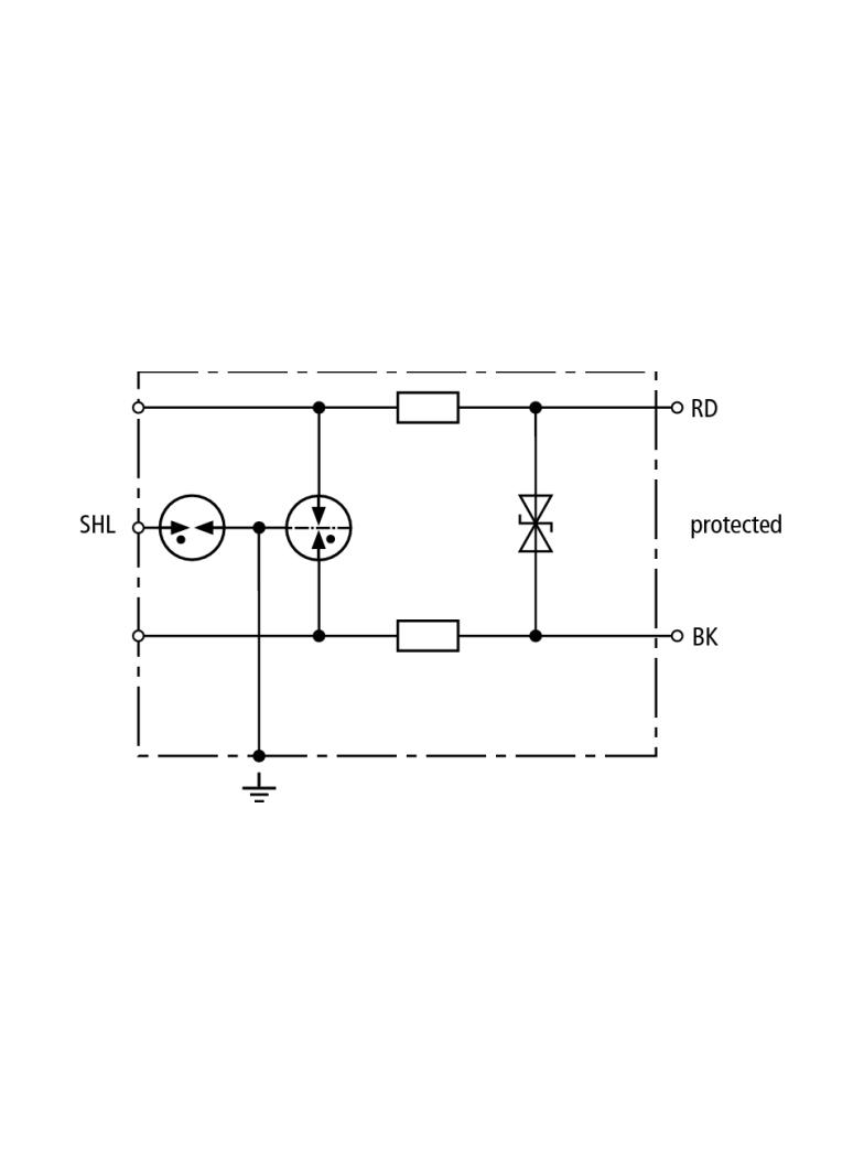
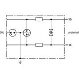
Skoordynowany energetycznie dwustopniowy ogranicznik przepięć, brak prądu upływu, do interfejsów 4-20 mA z gwintem M20 x 1,5 (wewnętrznym/zewnętrznym). Dostępny w opcji z bezpośrednim lub pośrednim uziemieniem ekranu lub bez uziemienia ekranu. Dławice kablowe dostępne jako wyposażenie dodatkowe.