:fill(white)/dc3ac9a1dd514431c7257a1925b21362.jpg)
:fill(white)/f1c84a2c0b8a9b449c2cf7f20f401dde.jpg)
:fill(white)/c901f63b5a8a989bfeb8b4f563f9e9d9.jpg)
:fill(white)/dc3ac9a1dd514431c7257a1925b21362.jpg)
:fill(white)/f1c84a2c0b8a9b449c2cf7f20f401dde.jpg)
:fill(white)/c901f63b5a8a989bfeb8b4f563f9e9d9.jpg)
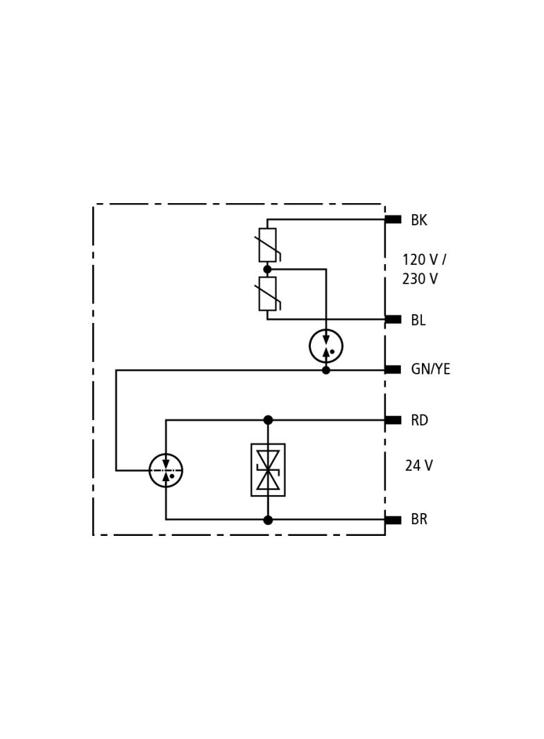
Ogranicznik przepięć w kombinowanej konstrukcji dla strony energii i danych. Hermetyczna obudowa ciśnieniowa do użytku w strefach zagrożonych wybuchem 1 i 2, do ochrony zasilania sieciowego 120/230 V i interfejsu danych 24 V urządzeń polowych. Dodatkowe bezpieczeństwo dzięki odpornemu na błędy układowi Y dla zasilania sieciowego 120/230 V. Wersja II 2 G Ex d IIC T5/T6 umożliwia uniwersalne zastosowanie w strefach Ex 1 i 2.