Biuro: tel. +48 (81) 710 11 25 pon.-pt.: 8:00 – 18:00
Darmowa dostawa od 200 zł Sprawdź
Ogranicznik przepięć DEHNpipe
Ogranicznik przepięć DEHNpipe
Ogranicznik przepięć DEHNpipe
Ogranicznik przepięć DEHNpipe
Ogranicznik przepięć DEHNpipe
Ogranicznik przepięć DEHNpipe
DEHN POLSKA sp. z o. o.

Ogranicznik przepięć DEHNpipe

Kod produktu1028065
EAN4013364120761
Jednostkaszt
Numer katalogowy929971
Link do producentaDEHN POLSKA sp. z o. o.
Podstawowe dane techniczne
Kraj pochodzenia
Niemcy
ETIM
EC000943
Waga
0.2716
24h
Magazyn: 0
14 dni
Producent: 0
Punkty w Elektroklub: pt.

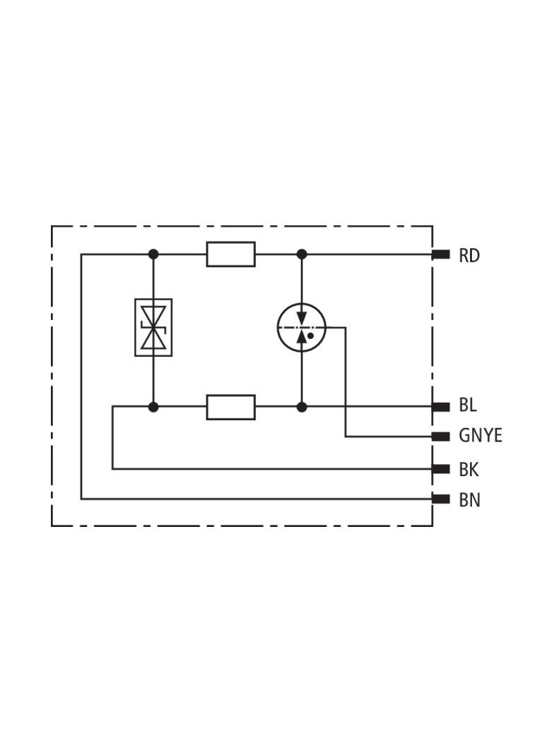
Ogranicznik przepięć ze skoordynowanym energetycznie obwodem ochronnym o niskiej pojemności w hermetycznej obudowie ciśnieniowej do stosowania w strefach zagrożonych wybuchem w celu ochrony obwodów pomiarowych i systemów magistralnych.

Akcesoria
Pierścień uziemiający M20 do DEHNpipe
Dławica kablowa M20 z mosiądzu
Dławica kablowa M20 z mosiądzu