:fill(white)/4fffa905661caee2afc5524e4c4c42cb.jpg)
:fill(white)/a9bd326cbd1e7f4a0cb60361e8fb4184.jpg)
:fill(white)/3efd959ac80e506a4b4b615625ef20ee.jpg)
:fill(white)/4fffa905661caee2afc5524e4c4c42cb.jpg)
:fill(white)/a9bd326cbd1e7f4a0cb60361e8fb4184.jpg)
:fill(white)/3efd959ac80e506a4b4b615625ef20ee.jpg)
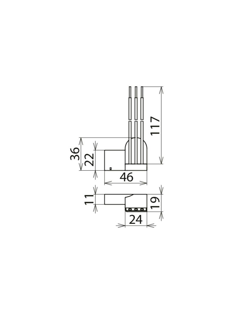
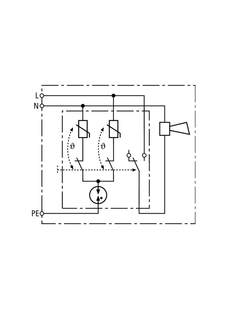
Dwubiegunowy ogranicznik przepięć DEHNflex, typ 3 zgodnie z EN 61643-11, z układem kontrolnym i układem odłączającym. Zwiększone bezpieczeństwo dzięki odpornemu na błędy obwodowi ochronnemu Y. Do ochrony urządzeń elektronicznych przed przepięciami. Do montażu w systemach instalacji elektrycznych, np. systemach podposadzkowych. Do stosowania zgodnie ze strefową koncepcją ochrony odgromowej jako przejście pomiędzy strefami 1 – 2 i wyżej