Menu
Konto
0
Ulubione
0
Koszyk
Biuro:
tel. +48 (81) 710 11 25
pon.-pt.: 8:00 – 18:00
Darmowa dostawa od 200 zł
Sprawdź
Blog
Oddziały hurtowe
Polski / PLN
Wyświetl cenę
0
0
Koszyk:
0,00 zł
Kategorie
Producenci
Promocje
Konfiguratory
Strefa porad
Programy partnerskie
Zostań naszym klientem
Kontakt
Strona główna
Przemysłowe Programowalne Sterowniki Logiczne PLC
Fieldbus, system rozproszony - moduł wejść/wyjść cyfrowych
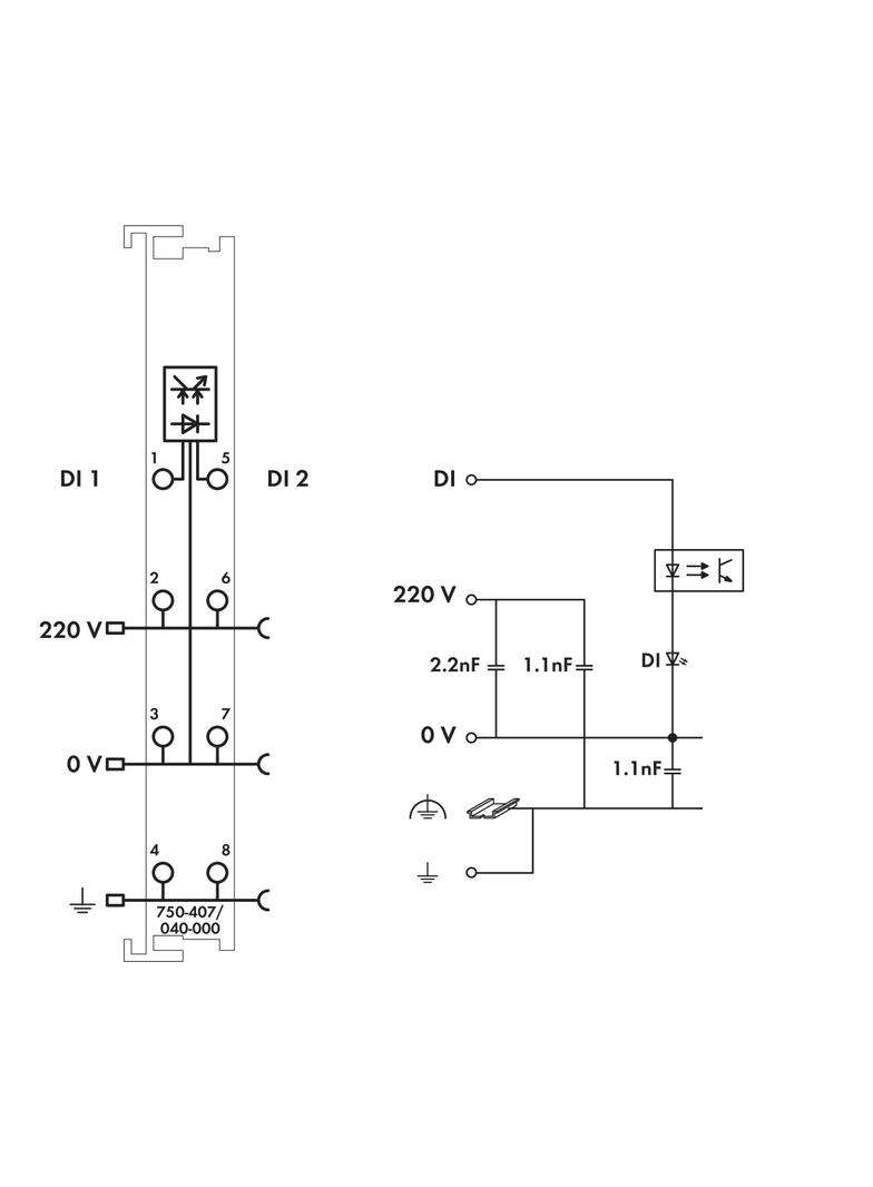
moduł wejść dwustanowych XTR 2-kanałowy 220 V DC
WAGO ELWAG
moduł wejść dwustanowych XTR 2-kanałowy 220 V DC
Kod produktu
1040535
EAN
4050821481911
Jednostka
szt
Numer katalogowy
750-407/040-000
Link do producenta
WAGO ELWAG
Podstawowe dane techniczne
Kraj pochodzenia
Niemcy
ETIM
EC001599
24h
Magazyn: 0
14 dni
Producent: 0
Punkty w Elektroklub: pt.
Dodaj do ulubionych
Opis produktu
moduł wejść dwustanowych 2-kanałowy; 220 V DC; 3 ms; ekstrem.
Dane techniczne
Kraj pochodzenia:
Niemcy
Numer katalogowy:
750-407/040-000
ETIM:
EC001599