:fill(white)/3bcb32277a9abb573ac606d6140a843b.jpg)
:fill(white)/68b522bed8b47886168c9de6db87e5d8.jpg)
:fill(white)/3bcb32277a9abb573ac606d6140a843b.jpg)
:fill(white)/68b522bed8b47886168c9de6db87e5d8.jpg)
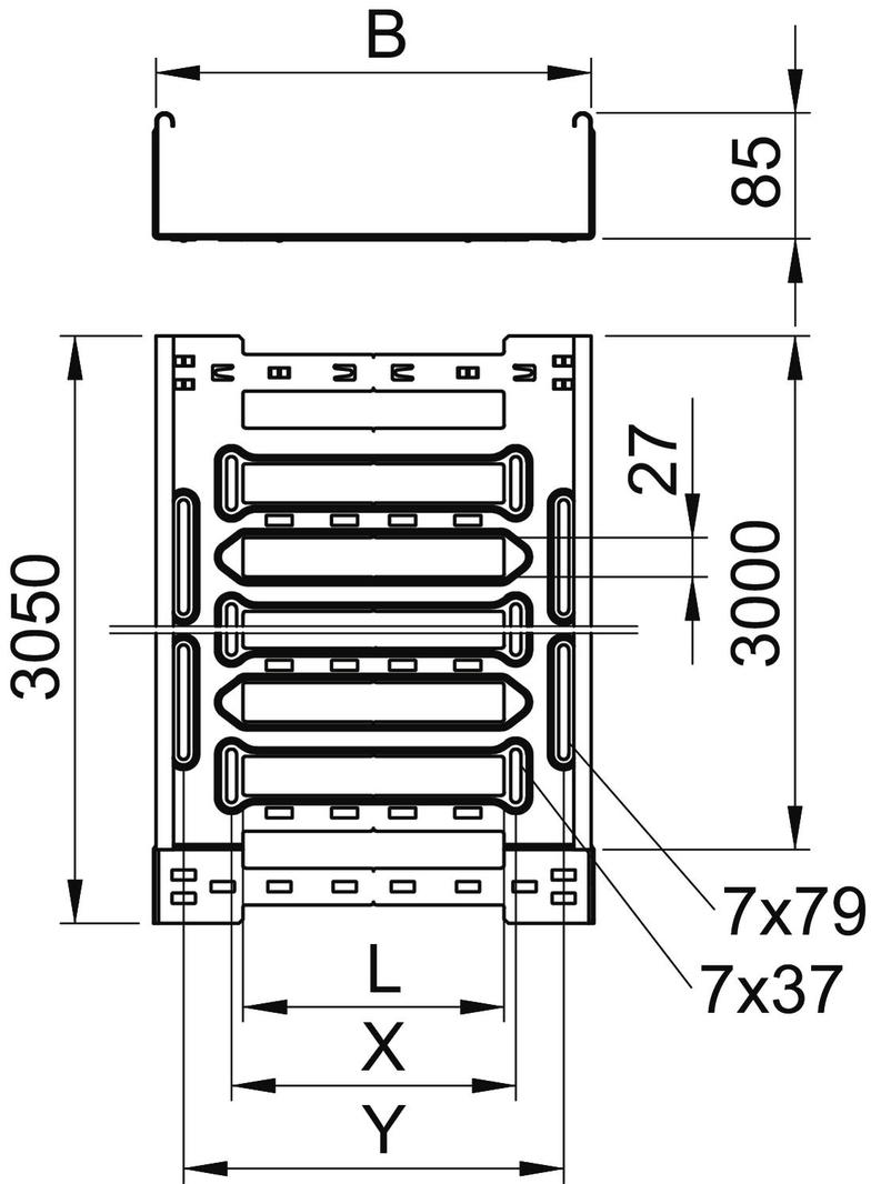
MKSM 85 = System średnio-ciężkich koryt kablowych o wysokości boku 85 mm. Długość użytkowa koryta kablowego wynosi 3000 mm.
Koryto posiada ciągłą perforację boczną 7 × 20 mm do montażu dodatkowych elementów przyłączeniowych i montażowych.
System przepuszczalnych koryt kablowych od szerokości 200 mm zgodny z przepisami VdS 2092 o 30%-wej perforacji do zastosowania poniżej instalacji tryskaczowych.