:fill(white)/436970aa057581e290a91b200b2af8ae.jpg)
:fill(white)/7e60e1e2f12cb942ceceffc7a3c360e7.jpg)
:fill(white)/436970aa057581e290a91b200b2af8ae.jpg)
:fill(white)/7e60e1e2f12cb942ceceffc7a3c360e7.jpg)
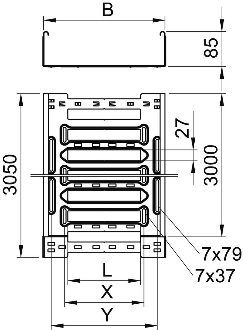
MKSM 85 = System średnio-ciężkich koryt kablowych o wysokości boku 85 mm. Długość użytkowa koryta kablowego wynosi 3000 mm.
Koryto posiada ciągłą perforację boczną 7 × 20 mm do montażu dodatkowych elementów przyłączeniowych i montażowych.
System przepuszczalnych koryt kablowych od szerokości 200 mm zgodny z przepisami VdS 2092 o 30%-wej perforacji do zastosowania poniżej instalacji tryskaczowych.