:fill(white)/2945b8c42f2770799ca33bb2fbf88cdb.jpg)
:fill(white)/16775e830b002f924a92538512018abf.jpg)
:fill(white)/2945b8c42f2770799ca33bb2fbf88cdb.jpg)
:fill(white)/16775e830b002f924a92538512018abf.jpg)
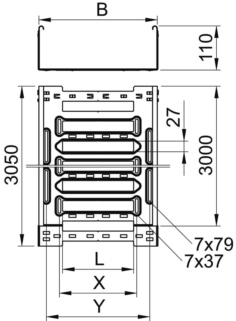
MKSM 110 = System średnio-ciężkich koryt kablowych o wysokości boku 110 mm. Długość użytkowa koryta kablowego wynosi 3000 mm.
Koryto posiada ciągłą perforację boczną 7 × 20 mm do montażu dodatkowych elementów przyłączeniowych i montażowych.
System przepuszczalnych koryt kablowych od szerokości 200 mm zgodny z przepisami VdS 2092 o 30%-wej perforacji do zastosowania poniżej instalacji tryskaczowych.