Menu
Konto
0
Ulubione
0
Koszyk
Biuro:
tel. +48 (81) 710 11 25
pon.-pt.: 8:00 – 18:00
Darmowa dostawa od 200 zł
Sprawdź
Blog
Oddziały hurtowe
Polski / PLN
Wyświetl cenę
0
0
Koszyk:
0,00 zł
Kategorie
Producenci
Promocje
Konfiguratory
Strefa porad
Programy partnerskie
Zostań naszym klientem
Kontakt
Strona główna
Kablowe systemy nośne
Trójnik do korytka kablowego
LTS T DD, Trójnik
OBO BETTERMAN
LTS T DD, Trójnik
Kod produktu
870122
EAN
4012195453468
Jednostka
szt
Numer katalogowy
6074912
Link do producenta
OBO BETTERMAN
Podstawowe dane techniczne
ETIM
EC004491
Szerokość
0.151
Długość
0.249
Głębokość
0.053
Waga
0.479
24h
Magazyn: 0
14 dni
Producent: 0
Punkty w Elektroklub: pt.
Dodaj do ulubionych
Opis produktu
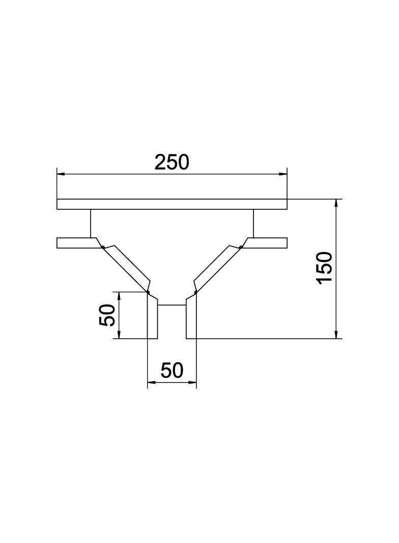
Łuk 90°, poziomy, do kanału AZ
AZK
050 i szyny nośnej oświetlenia
LTS
50.
Dane techniczne
ETIM:
EC004491
Numer katalogowy:
6074912
Szerokość:
0.151
Długość:
0.249
Głębokość:
0.053
Waga:
0.479
Pliki do pobrania
2
Deklaracja RoHS
6074912-RoHS.pdf
Karta produktu
LTS T DD-6074912-pl_PL.pdf