:fill(white)/f3322c651f38d1d200037ea59cc59f9e.jpg)
:fill(white)/17ca4b635ea594f00a456f26ea56c03c.jpg)
:fill(white)/f3322c651f38d1d200037ea59cc59f9e.jpg)
:fill(white)/17ca4b635ea594f00a456f26ea56c03c.jpg)
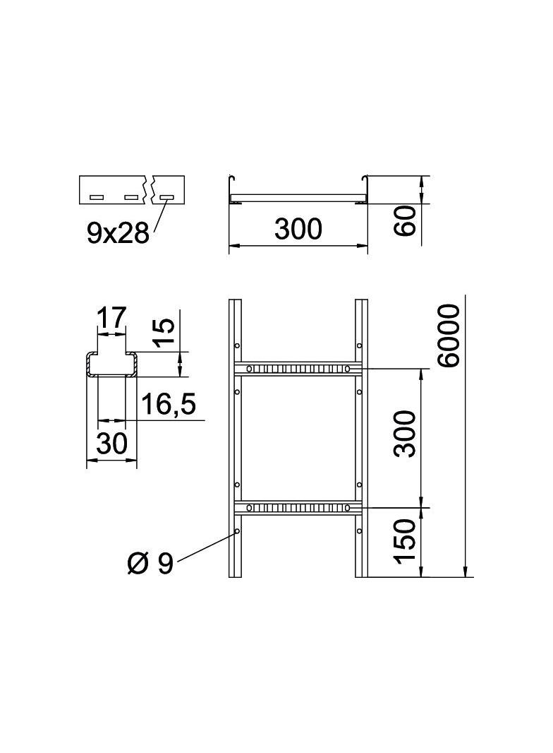
Drabina kablowa o wysokości boku 60 mm z zespawanymi, otwartymi od góry szczeblami z profilu C30. Zagięta krawędź boczna dla wzmocnienia oraz ochrony. Mocowanie na wsporniku za pomocą zacisków typu LKS 40. Szerokość szczeliny wynosi 16,5 mm, dedykowana obejma kabłąkowa to typ 2056.