Menu
Konto
0
Ulubione
0
Koszyk
Biuro:
tel. +48 (81) 710 11 25
pon.-pt.: 8:00 – 18:00
Darmowa dostawa od 200 zł
Sprawdź
Blog
Oddziały hurtowe
Polski / PLN
Wyświetl cenę
0
0
Koszyk:
0,00 zł
Kategorie
Producenci
Promocje
Konfiguratory
Strefa porad
Programy partnerskie
Zostań naszym klientem
Kontakt
Strona główna
Czujniki
Wyłącznik krańcowy jednopozycyjny
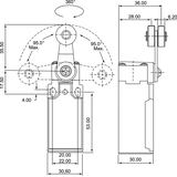
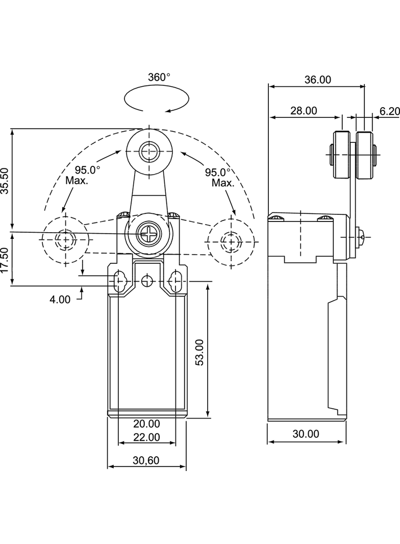
ŁĄCZNIK KRAŃCOWY (TWORZYWO) DŹWIGNIA Z ROLKĄ
S.I. SPAMEL
ŁĄCZNIK KRAŃCOWY (TWORZYWO) DŹWIGNIA Z ROLKĄ
Kod produktu
1272806
EAN
5907723243064
Jednostka
szt
Numer katalogowy
LK\204
Link do producenta
S.I. SPAMEL
Podstawowe dane techniczne
ETIM
EC000030
24h
Magazyn: 0
14 dni
Producent: 0
Punkty w Elektroklub: pt.
Dodaj do ulubionych
Opis produktu
ŁĄCZNIK
KRAŃCOWY
(
TWORZYWO
)
DŹWIGNIA
Z
ROLKĄ
Dane techniczne
Numer katalogowy:
LK\204
ETIM:
EC000030