Biuro: tel. +48 (81) 710 11 25 pon.-pt.: 8:00 – 18:00
Darmowa dostawa od 200 zł Sprawdź
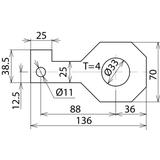
Kształtka przyłączeniowa prosta
Kształtka przyłączeniowa prosta
Kształtka przyłączeniowa prosta
Kształtka przyłączeniowa prosta
DEHN POLSKA sp. z o. o.

Kształtka przyłączeniowa prosta

Kod produktu1027950
EAN4013364150966
Jednostkaszt
Numer katalogowy923233
Link do producentaDEHN POLSKA sp. z o. o.
Podstawowe dane techniczne
ETIM
EC002497
Kraj pochodzenia
Niemcy
Waga
0.174
24h
Magazyn: 0
14 dni
Producent: 0
Punkty w Elektroklub: pt.

Prosta kształtka przyłączeniowa do EXFS. Średnica odpowiada średnicy śruby złącza śrubowego z kołnierzem.