:fill(white)/299dad1262f84b7d610f97e97926c28c.jpg)
:fill(white)/c80daaf85879a1a293ee2c7cfe993252.jpg)
:fill(white)/299dad1262f84b7d610f97e97926c28c.jpg)
:fill(white)/c80daaf85879a1a293ee2c7cfe993252.jpg)
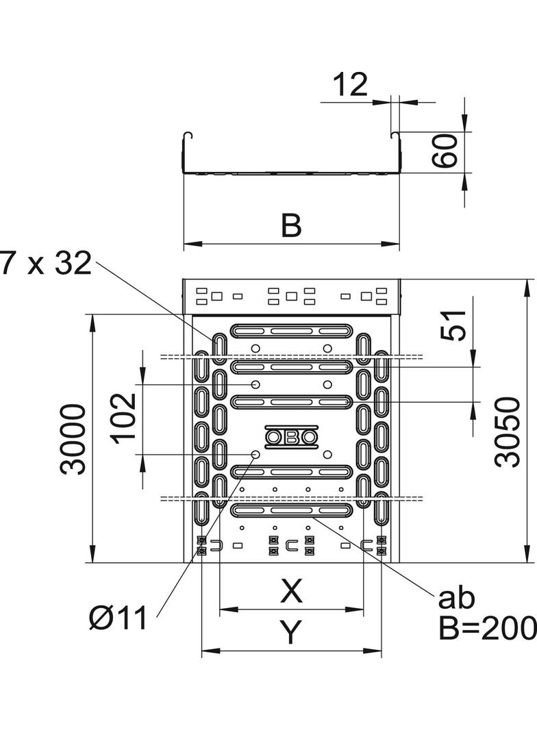
Koryto kablowe ze zintegrowanym systemem szybkiego mocowania. Długość użytkowa koryta kablowego wynosi 3000 mm.
Koryto posiada ciągłą perforację boczną 7 × 20 mm do montażu dodatkowych elementów przyłączeniowych i montażowych.
Perforacja do bezpośredniego zawieszenia pręta gwintowanego ma średnicę 11 mm.