:fill(white)/bb26f249ef26ef3cb2b261892cc182f4.jpg)
:fill(white)/34c0085da1e05454fbdfc4cd950053ed.jpg)
:fill(white)/bb26f249ef26ef3cb2b261892cc182f4.jpg)
:fill(white)/34c0085da1e05454fbdfc4cd950053ed.jpg)
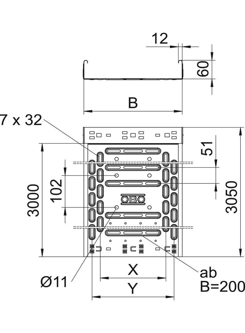
Koryto kablowe ze zintegrowanym systemem szybkiego mocowania. Długość użytkowa koryta kablowego wynosi 3000 mm.
Koryto posiada ciągłą perforację boczną 7 × 20 mm do montażu dodatkowych elementów przyłączeniowych i montażowych.
Perforacja do bezpośredniego zawieszenia pręta gwintowanego ma średnicę 11 mm.