Menu
Konto
0
Ulubione
0
Koszyk
Biuro:
tel. +48 (81) 710 11 25
pon.-pt.: 8:00 – 18:00
Darmowa dostawa od 200 zł
Sprawdź
Blog
Oddziały hurtowe
Polski / PLN
Wyświetl cenę
0
0
Koszyk:
0,00 zł
Kategorie
Producenci
Promocje
Konfiguratory
Strefa porad
Programy partnerskie
Zostań naszym klientem
Kontakt
Strona główna
Kablowe systemy nośne
Korytko kablowe / korytko kablowe szerokorozpiętościowe
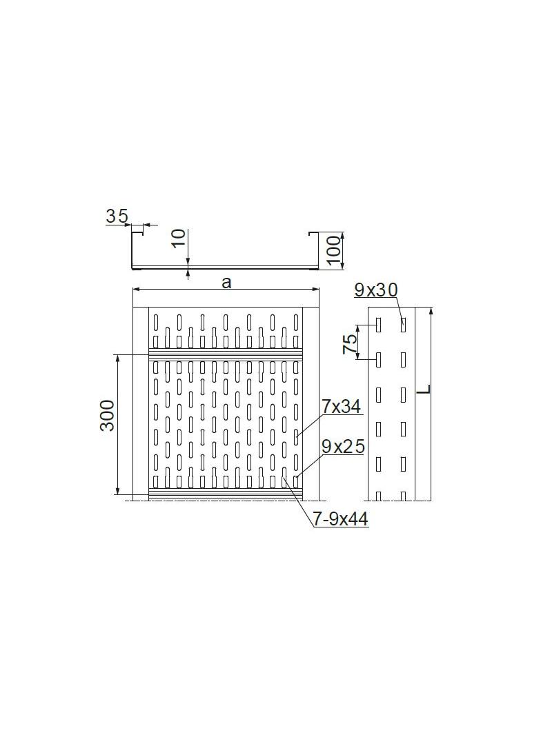
KORYTKO KSP200H100/6N
BAKS
KORYTKO KSP200H100/6N
Kod produktu
634800
EAN
5900993122985
Jednostka
MB
Numer katalogowy
220021
Link do producenta
BAKS
Podstawowe dane techniczne
ETIM
EC000047
24h
Magazyn: 0
14 dni
Producent: 0
Punkty w Elektroklub: pt.
Dodaj do ulubionych
Opis produktu
Grubość blachy: 1,50 mm
Dane techniczne
Numer katalogowy:
220021
ETIM:
EC000047
Pliki do pobrania
6
Certyfikat
Atest-Higieniczny.pdf
Certyfikat
BAKS_14001_Certyfikat_PL.pdf
Certyfikat
BAKS_9001_Certyfikat_PL.pdf
Certyfikat
BAKS-TM.pdf
Certyfikat
BAKS-TM-BS-EN.pdf
Certyfikat
Deklaracja-Zgodnosci-UE-nr-1_23-CE-standard-PN-EN.-PL.pdf