Menu
Konto
0
Ulubione
0
Koszyk
Biuro:
tel. +48 (81) 710 11 25
pon.-pt.: 8:00 – 18:00
Darmowa dostawa od 200 zł
Sprawdź
Blog
Oddziały hurtowe
Polski / PLN
Wyświetl cenę
0
0
Koszyk:
0,00 zł
Kategorie
Producenci
Promocje
Konfiguratory
Strefa porad
Programy partnerskie
Zostań naszym klientem
Kontakt
Strona główna
Kablowe systemy nośne
Materiał montażowy do kablowych systemów nośnych
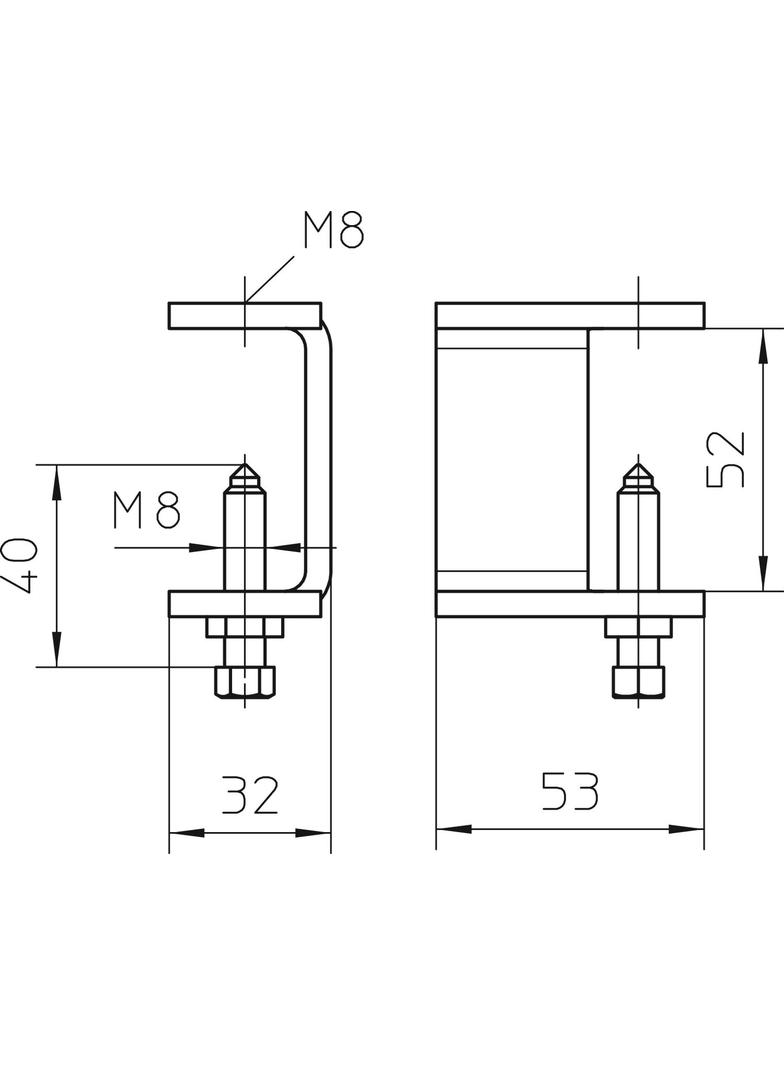
KLL 52 FT, Zacisk
OBO BETTERMAN
KLL 52 FT, Zacisk
Kod produktu
871475
EAN
4012195849889
Jednostka
szt
Numer katalogowy
6221071
Link do producenta
OBO BETTERMAN
Podstawowe dane techniczne
ETIM
EC001005
24h
Magazyn: 0
14 dni
Producent: 0
Punkty w Elektroklub: pt.
Dodaj do ulubionych
Opis produktu
Zacisk do mocowania drabin kablowych.
Dane techniczne
ETIM:
EC001005
Numer katalogowy:
6221071