:fill(white)/be2b6ee5b5555e9de1b0020b28f674f6.jpg)
:fill(white)/6d9e71462e9ddc7582e973fc846bc609.jpg)
:fill(white)/cfc09c4d5fb18c234c093733a07997a4.jpg)
:fill(white)/be2b6ee5b5555e9de1b0020b28f674f6.jpg)
:fill(white)/6d9e71462e9ddc7582e973fc846bc609.jpg)
:fill(white)/cfc09c4d5fb18c234c093733a07997a4.jpg)
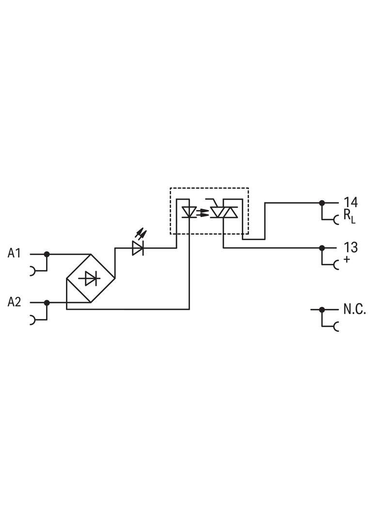
przekaźnik półprzewodnikowy; znamionowe napięcie wejściowe 230 V AC/DC; zakres napięcia wyjściowego 24 … 240 V AC; maksymalny prąd długotrwały 2 A; podłączanie 2-przewodowe; załączanie w przejściu przez zero; sygnalizacja statusu żółta; szerokość 6 mm; szary