:fill(white)/c2cbf2dffc0a8a5bd64fe4849a8e07aa.jpg)
:fill(white)/3c96654ac90fa01585fd5a343de31288.jpg)
:fill(white)/c2cbf2dffc0a8a5bd64fe4849a8e07aa.jpg)
:fill(white)/3c96654ac90fa01585fd5a343de31288.jpg)
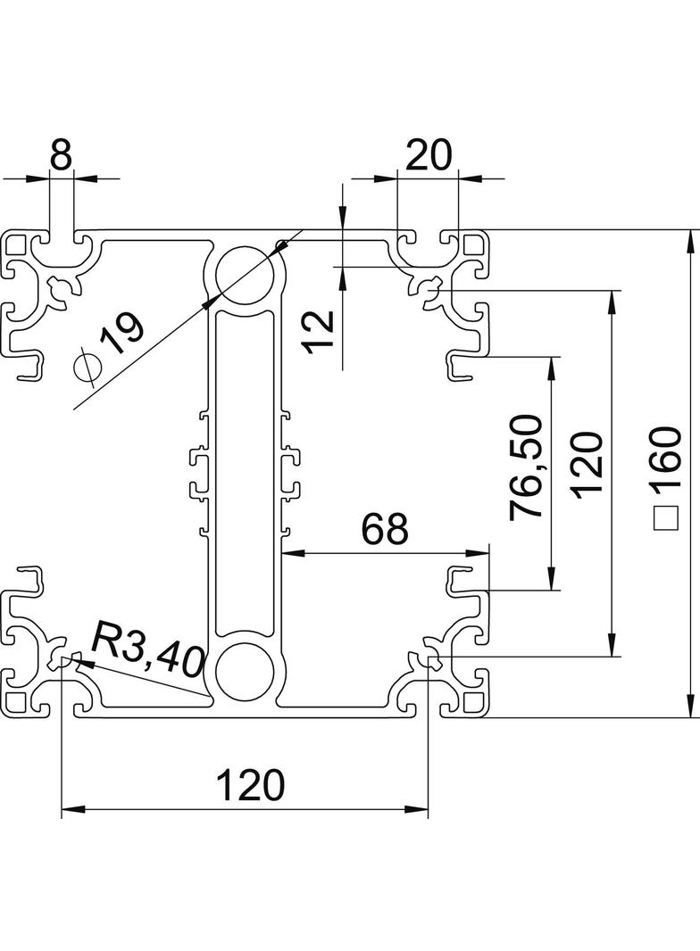
Kolumna zasilająca ISS do zasilania stanowisk pracy w zakładach produkcyjnych. Stabilne i wytrzymałe profile aluminiowe z otworem systemowym 76,5 mm po dwóch przeciwległych stronach przeznaczone są do montażu puszek instalacyjnych z serii 71GD lub wsporników montażowych 71MT. Wszystkie cztery strony mają profil montażowy standardowej wielkości znamionowej 8 do montażu różnych elementów zasilających, media, itp. Zakres dostawy obejmuje profil kolumny, pokrywy długości 2000 mm i opakowanie z 20 dodatkowymi uchwytami zaczepowymi, typu RKV3V. Dwa, zamknięte kanały wewnątrz profilu służą do prowadzenia sprężonego powietrza.