Menu
Konto
0
Ulubione
0
Koszyk
Biuro:
tel. +48 (81) 710 11 25
pon.-pt.: 8:00 – 18:00
Darmowa dostawa od 200 zł
Sprawdź
Blog
Oddziały hurtowe
Polski / PLN
Wyświetl cenę
0
0
Koszyk:
0,00 zł
Kategorie
Producenci
Promocje
Konfiguratory
Strefa porad
Programy partnerskie
Zostań naszym klientem
Kontakt
Strona główna
Systemy uziemień oraz ochrony odgromowej i przeciwprzepięciowej
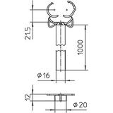
Zwód odgromowy pionowy / iglica do ochrony odgromowej
isCon DH, Element dystansowy
OBO BETTERMAN
isCon DH, Element dystansowy
Kod produktu
868938
EAN
4012195674863
Jednostka
szt
Numer katalogowy
5408043
Link do producenta
OBO BETTERMAN
Podstawowe dane techniczne
ETIM
EC000505
24h
Magazyn: 0
14 dni
Producent: 0
Punkty w Elektroklub: pt.
Dodaj do ulubionych
Dane techniczne
ETIM:
EC000505
Numer katalogowy:
5408043