:fill(white)/2ce73a57fe3601761cb717142cb296a0.jpg)
:fill(white)/e336732e69c110bfb928c441bf7ab220.jpg)
:fill(white)/2ce73a57fe3601761cb717142cb296a0.jpg)
:fill(white)/e336732e69c110bfb928c441bf7ab220.jpg)
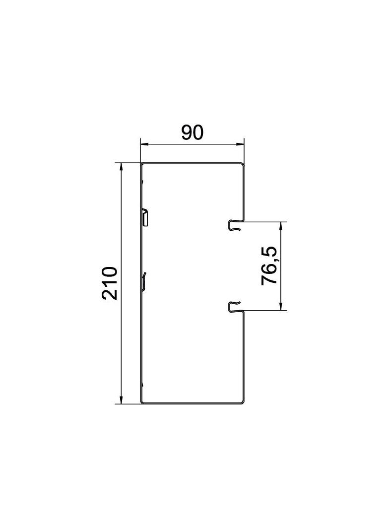
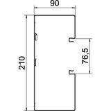
Kanał podparapetowy GS do montażu bezpośrednio na ścianie lub na wspornikach montażowych. Kanał podparapetowy GS jest wyposażony w języczki samostykające się do mocowania przegrody z blachy stalowej. Wyrównanie potencjałów między podstawami kanałów wykonuje się za pomocą złączki. Opatentowana, samostykowa pokrywa kanału gwarantuje zabezpieczenie i wyrównanie potencjałów między podstawą a pokrywą. Otwór systemowy wynosi 76,5 mm.